求助:数据块的定位问题

已锁定

zgs122724

  • 帖子

    21
  • 精华

    0
  • 被关注

    0

论坛等级:游士

注册时间:2006-09-27

普通 普通 如何晋级?

求助:数据块的定位问题

781

5

2016-01-18 13:21:17

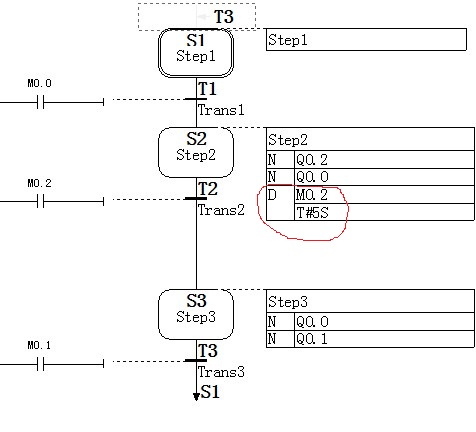
自己写了一个小程序,能运行。有一个问题想不明白,哪位大侠给帮帮。小图OB1,大图FB1,对应的数据块DB1。问题来了,如何确定这个5秒时间在DB1中的地址。

求助:数据块的定位问题 已锁定
编辑推荐: 关闭

请填写推广理由:

本版热门话题

SIMATIC S7-300/400

共有54778条技术帖

相关推荐

热门标签

相关帖子推荐

guzhang

恭喜,你发布的帖子

评为精华帖!

快扫描右侧二维码晒一晒吧!

再发帖或跟帖交流2条,就能晋升VIP啦!开启更多专属权限!

  • 分享

  • 只看
    楼主

top
X 图片
您收到0封站内信:
×
×
信息提示
很抱歉!您所访问的页面不存在,或网址发生了变化,请稍后再试。