关于PP72/48-2A接PT100温度传感器的问题

已锁定

海底阳光

  • 帖子

    65
  • 精华

    1
  • 被关注

    0

论坛等级:游士

注册时间:2014-08-27

普通 普通 如何晋级?

关于PP72/48-2A接PT100温度传感器的问题

1588

6

2016-03-07 16:08:44

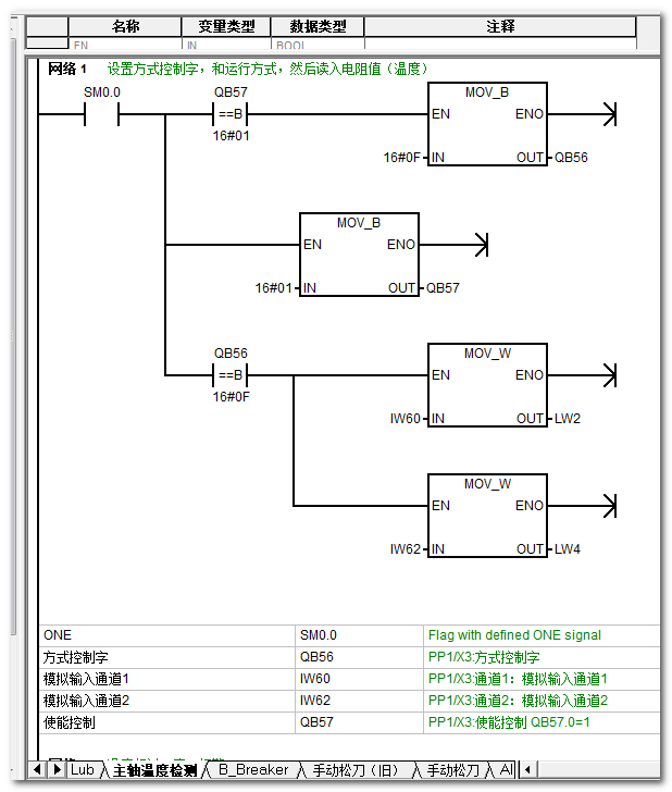
820D数控系统,有个电主轴,内置了两个PT100电阻,作为温度检测元件,每个PT100电阻只有两个线,我将PT100两脚分别接到X3端口的3、4和7、8两脚,用输入通道1、2作为温度检测输入通道,PLC程序如下

IW60和IW62的输入始终为0,我用表量两个PT100的阻值都在105欧左右,当前主轴温度肯定不是0度,为什么没有数据被读入呢?

关于PP72/48-2A接PT100温度传感器的问题 已锁定
编辑推荐: 关闭

请填写推广理由:

本版热门话题

SINUMERIK

共有25600条技术帖

相关推荐

热门标签

相关帖子推荐

guzhang

恭喜,你发布的帖子

评为精华帖!

快扫描右侧二维码晒一晒吧!

再发帖或跟帖交流2条,就能晋升VIP啦!开启更多专属权限!

  • 分享

  • 只看
    楼主

top
X 图片
您收到0封站内信:
×
×
信息提示
很抱歉!您所访问的页面不存在,或网址发生了变化,请稍后再试。