两台S7-200 smart 之间modbus通讯,报错,错误代码3,求高手指导!

已锁定

科易科技

  • 帖子

    4
  • 精华

    0
  • 被关注

    0

论坛等级:新手

注册时间:2014-11-17

普通 普通 如何晋级?

两台S7-200 smart 之间modbus通讯,报错,错误代码3,求高手指导!

4503

4

2016-04-11 14:48:26

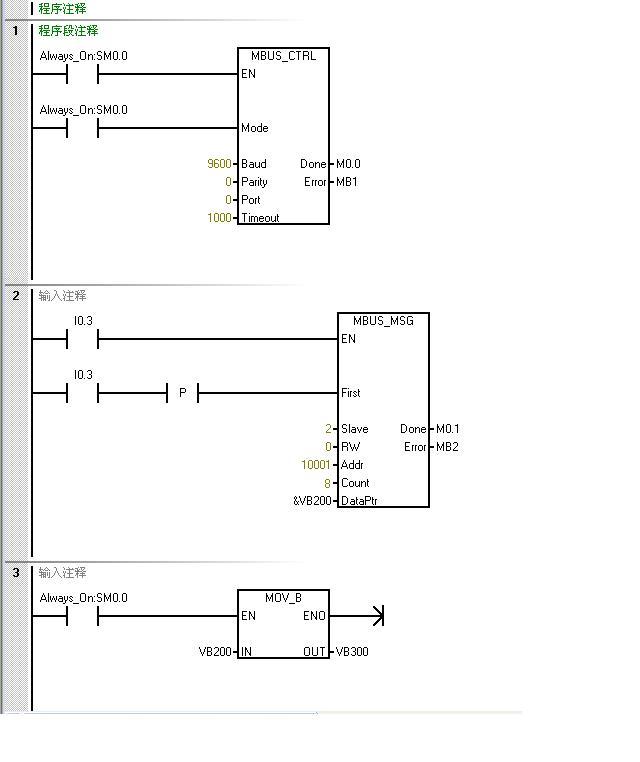
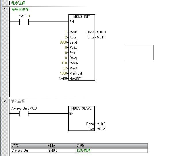
 两台S7-200 smart 之间modbus通讯,老是报错,错误代码3。检查RS485线缆正常,分别是3针连3针,8针连接8针,两台PLC均为SR20。


想通过PLC主站,获取从站PLCI0.0-I0.7状态,通过以太网接口监控主站,发现错误代码为3


程序见图:

两台S7-200 smart 之间modbus通讯,报错,错误代码3,求高手指导! 已锁定
编辑推荐: 关闭

请填写推广理由:

本版热门话题

SIMATIC S7-200 SMART

共有9390条技术帖

相关推荐

热门标签

相关帖子推荐

guzhang

恭喜,你发布的帖子

评为精华帖!

快扫描右侧二维码晒一晒吧!

再发帖或跟帖交流2条,就能晋升VIP啦!开启更多专属权限!

  • 分享

  • 只看
    楼主

top
X 图片
您收到0封站内信:
×
×
信息提示
很抱歉!您所访问的页面不存在,或网址发生了变化,请稍后再试。