2000年的时候,我在一家私人陶瓷厂从事电工工作,陶瓷厂在生产时一般是不允许停电的,因为停电会造成辊道窑炉内陶瓷产品全部报废及结块,因而要经常做一些带电接线作业,那时工厂内电工也比较少,管理也不规范,经常是独自个人去完成工作的。
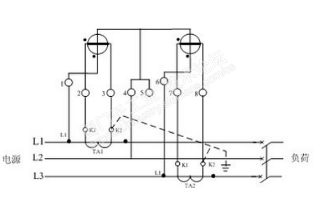
有一次设备主管给我派了个任务,就是成型车间配电柜内计量电表计量不对,到现场后仔细看了一下电表,这个电表是经过电流互感器变流的三相三线电度表,这种三相电度表要严格按照相序接线(电流线圈和电压线圈的相序)才能正常计量,仔细检查相序后发现实际接线L1,L3相序发现相序搞反了,下图是这种电度表的接线图。

知道问题后就着手解决问题了,首先自己清楚这个操作是需要带电操作的,首先穿好绝缘靴,戴好绝缘手套,及绝缘木板等绝缘安全工具,因为电流互感器回路不能开路,只能短路,所以首先使用短路片将TA1及TA2电流互感器的K1,K2线短接,顺利将电流线圈的线更换成功,
现在就准备调换电压线圈的接线了,现场电度表处电压线圈进线长度刚刚好,调换1.6端子内的接线长度不够,1,6线从铜母排上接出,在狭窄且到处是可以导电的电柜壳体内母排上拆螺丝调换线不安全,就想了个折中的办法,就是在线路中间位置剪短后调换相序后重接,接驳线时需要带电操作,带电操作时戴绝缘手套接线不方便,于是就脱了绝缘手套,直接使用手来接2,5平方的线了,接第一个相线L1时,先将剥好皮的二根线先搭上去后再直接使用手接驳没有问题。
但是在接第二根相线L2时自己疏忽了一下就是没有先搭上,而是直接一手拿一根触摸到带电部分的导线,瞬间被电了,万幸我立即摆脱了触电,摆脱触电后立马出了一身汗,情绪失控大喊大叫今天差点就死在这里了,冷静后才找到了我触电原因好险啊,L2线从电压线圈返回的电压和L3在没有接通情况下有380V电压啊,此时恰好一手拿一根线相当于从我左手到右手形成了一个导电通路不触电才怪。如果单摸一根相线时,是不会触电了,因为身体的其他部位对地都是绝缘的,形成不了电压差啊。
找到原因后,虽然触电了还是需要将事情做完啊,还是将第二根线搭接可靠后后带电接好,电度表正常计量了,这次的触电事故影响我终身,从这以后我尽可能不带电作业,就是带电作业也是找好监护人且做好充分的安全措施后才去做。毕竟人的生命只有一次,受之父母,你的生命对父母及其他亲人正常生活影响巨大啊。