回复:6se70变频器主从控制,从动装置转矩控制,其速度环的作用

nnnn1234

  • 帖子

    4952
  • 精华

    57
  • 被关注

    221

论坛等级:至圣

注册时间:2010-02-22

钻石 钻石 如何晋级?

发布于 2016-05-20 09:08:19

33楼

展开查看
以下是引用老兵在2016-05-20 08:49:08的发言 >

哪主装置还设不设置呢?是两个都设还是只设一个?

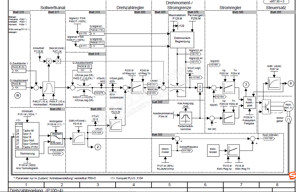
楼主那第一张图是从装置的功能图。主装置的功能图:

The darkness is no darkness with thee.
评论
编辑推荐: 关闭

请填写推广理由:

本版热门话题

MasterDrives

共有5853条技术帖

相关推荐

热门标签

相关帖子推荐

guzhang

恭喜,你发布的帖子

评为精华帖!

快扫描右侧二维码晒一晒吧!

再发帖或跟帖交流2条,就能晋升VIP啦!开启更多专属权限!

  • 分享

  • 只看
    楼主

top
X 图片
您收到0封站内信:
×
×
信息提示
很抱歉!您所访问的页面不存在,或网址发生了变化,请稍后再试。