回复:关于s120伺服电机抱闸百思不得其解的问题。

Siemens TIA

  • 帖子

    489
  • 精华

    4
  • 被关注

    39

论坛等级:侠圣

注册时间:2011-11-01

普通 普通 如何晋级?

发布于 2016-05-30 16:41:14

13楼

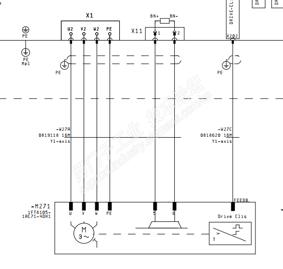
siemens 伺服电机的确是有极性的。

学无止进 技有所长
评论
编辑推荐: 关闭

请填写推广理由:

本版热门话题

SINUMERIK

共有25746条技术帖

相关推荐

热门标签

相关帖子推荐

guzhang

恭喜,你发布的帖子

评为精华帖!

快扫描右侧二维码晒一晒吧!

再发帖或跟帖交流2条,就能晋升VIP啦!开启更多专属权限!

  • 分享

  • 只看
    楼主

top
X 图片
您收到0封站内信:
×
×
信息提示
很抱歉!您所访问的页面不存在,或网址发生了变化,请稍后再试。