接线图相关的问题。求教! 图中1表示磁力搅拌器代替的

已锁定

青春、Ricky

  • 帖子

    18
  • 精华

    0
  • 被关注

    1

论坛等级:游民

注册时间:2016-05-30

普通 普通 如何晋级?

接线图相关的问题。求教! 图中1表示磁力搅拌器代替的

1006

18

2016-06-03 16:26:26

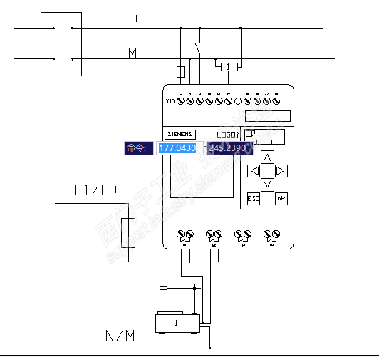
连接I4的是磁力搅拌器  这是一个信号检测 检测磁力搅拌器是否启停。 下图中的磁力搅拌器连接Q1 Q2是表示Q1和Q2一个控制开启 一个控制关闭(设定这样控制的)。  这样接上去对不对? 我选择的是继电器输出的LOGO! 我连接磁力搅拌器的时候还用使用电磁继电器吗? 不然电压怎么转换的? 还有L1/L+上的这个方框表示什么?   求求求助助助!!

接线图相关的问题。求教! 图中1表示磁力搅拌器代替的 已锁定
编辑推荐: 关闭

请填写推广理由:

本版热门话题

LOGO!

共有2418条技术帖

相关推荐

热门标签

相关帖子推荐

guzhang

恭喜,你发布的帖子

评为精华帖!

快扫描右侧二维码晒一晒吧!

再发帖或跟帖交流2条,就能晋升VIP啦!开启更多专属权限!

  • 分享

  • 只看
    楼主

top
X 图片
您收到0封站内信:
×
×
信息提示
很抱歉!您所访问的页面不存在,或网址发生了变化,请稍后再试。