回复:200SMART和E700变频器通信 问题,频率写入不了 求助

我不叫赵山河

  • 帖子

    27
  • 精华

    0
  • 被关注

    18

论坛等级:游士

注册时间:2014-03-22

普通 普通 如何晋级?

发布于 2016-06-21 20:14:43

23楼

展开查看
以下是引用不留的半桶水在2016-06-20 22:54:18的发言 >22楼

楼主的程序可以传上来大家分析一下吗?

主要是数据格式以及内存分配

以下是引用我不叫赵山河在2016-06-19 21:55:06的发言 >:一块学习学习

引用详细内容:

一块学习学习

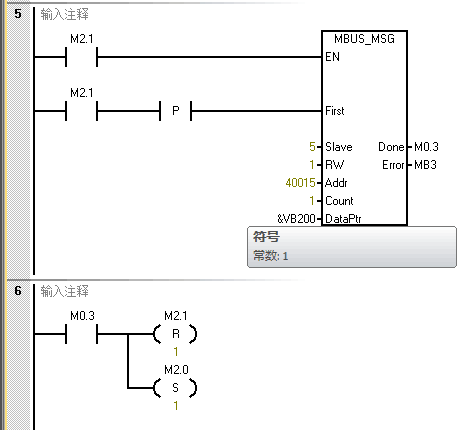
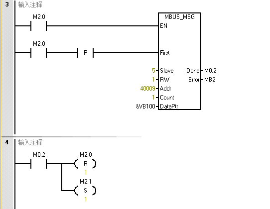
这个是我写的程序,大家帮忙分析下哪里有 问题。现在是这样的,程序这样可以运行,循环扫描,两个Modbus_MSG指令顺次接通,不存在同时接通的情况,是没问题了,可是,当我把PLC停了,再次下载程序,运行的时候就不行了,要么两个MSG都接通,妖魔,两个都不同。我在程序段4M0.2的后面和程序段6的后面都加了个上升沿,保存,下载。监控,不可以。然后先去掉程序段4的P下载,然后在去掉程序段6里的P,再下载,就好了。。。。为什么啊,谁有写好的程序分享下啊

评论
编辑推荐: 关闭

请填写推广理由:

本版热门话题

SIMATIC S7-200 SMART

共有9417条技术帖

相关推荐

热门标签

相关帖子推荐

guzhang

恭喜,你发布的帖子

评为精华帖!

快扫描右侧二维码晒一晒吧!

再发帖或跟帖交流2条,就能晋升VIP啦!开启更多专属权限!

  • 分享

  • 只看
    楼主

top
X 图片
您收到0封站内信:
×
×
信息提示
很抱歉!您所访问的页面不存在,或网址发生了变化,请稍后再试。