请教:s7-300输入输出端问题

已锁定

阿呆阿呆

  • 帖子

    36
  • 精华

    0
  • 被关注

    2

论坛等级:游士

注册时间:2015-04-01

普通 普通 如何晋级?

请教:s7-300输入输出端问题

441

7

2016-08-16 10:16:29


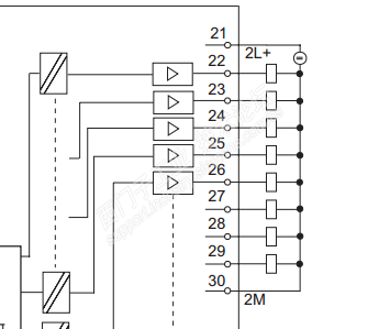
想请教下:这个2L+和M是什么意思?如果接24v正负的话,该怎么接线?L接24v+,M接24V-?

那些21-29的触点都接24V+?右侧的公共点接24V-?电流是怎么走向的?

请教:s7-300输入输出端问题 已锁定
编辑推荐: 关闭

请填写推广理由:

本版热门话题

SIMATIC S7-300/400

共有54663条技术帖

相关推荐

热门标签

相关帖子推荐

guzhang

恭喜,你发布的帖子

评为精华帖!

快扫描右侧二维码晒一晒吧!

再发帖或跟帖交流2条,就能晋升VIP啦!开启更多专属权限!

  • 分享

  • 只看
    楼主

top
X 图片
您收到0封站内信:
×
×
信息提示
很抱歉!您所访问的页面不存在,或网址发生了变化,请稍后再试。