接线用线号管标注规则
1 强电的线号标注规则
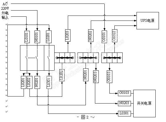
1.1 连接AC220V的单相三线制用电
线号采用“L、N、G(或PE)”这三个分别表示火、零、地的字母并加上四位数字的组成来表示。该类线号主要用于标注在空气开关上下的连接端、开关电源的AC220V输入端或UPS、滤波器等强电设备的相关连线中。
标注方式如图1所示:

- 图1 -
例如标注为“L0101”、“L0215”或“N0103”、“PE0105”、“G0207”等号。
具体标注可参考以下实例图2:

1.2 连接380V的三相三线制用电
线号采用“U、V、W”这三个分别表示三相的相应字母并加上三位数字来表示。该类线号主要用于三相电机的相关连线。标注方式可参考1.1中的描述。
1.3 注意事项
强电的标注必须依照1.1及1.2所规定的标准,不得擅自更改。凡是设备上有接线端的位置均要标注好线号,并要求同一根线上两端的标注的线号是一样的,便于后期维护时可以更快速的定位到该连线上。
2 弱电的线号标注规则(直流供电、信号线等)
2.1 标注样式
弱电部分的标注与强电不同,均采用除了“L、N、G、U、V、W”这六个字母外的任意一个字母再加上四位数字的组成来表示。该类线号主要用于常见的DC24V、DC12V、DC5V等直流供电线,开关电源的输出线以及编码器线、传感器线、接口卡线、信号盒上各接口线、相机线、光源线等全部弱电设备的供电线、信号线的标注上。
标注方式如图3所示:

- 图3 -
例如标注为“A0208”、“F0214”或“Q1203”等号,具体规定及实例参考2.2及2.3。
2.2 设备或接口的甩线直接连接到端子排上的情况
以相机为例,若一套完整的在线检测系统中有6个相机,同时规定了相机的类型代号是字母“H”(不论这6个相机在现实中是否为同一个品牌或同一型号),且相机接口连线的甩线端连接到了端子排或开关电源上,这些线都需要用线号管来标注。则相机1上的所有线均分别用“H0101、H0102、H0103……H0199”之间的号来按顺序标注,其中包括了供电电源线和信号线等;相机2的所有线均分别用“H0201、H0202、H0203……H0299”之间的号来按顺序标注。以此类推,直到“H06XX”为止。
这样做的话,即使同一类型中的设备有很多,也足够可以排列出所有所需的线号,不会出现重复或混乱的现象。
再以信号盒为例,若一个信号盒上提供有IN、OUT等共8个接口,同时规定了信号盒的类型代号是字母“S”,且这8个接口连线的甩线端连接到端子排上,需要用线号管来标注。则接口1上的所有线均分别用“S0101、S0102、S0103……S0199”之间的号来按顺序标注;接口2上的所有线均分别用“S0201、S0202、S0203……S0299”之间的号来按顺序标注。以此类推,直到“S08XX”为止。此时若还有第二个8接口的信号盒,那么这第二个信号盒上的接口连线要从“S09XX”开始排列,直到“S16XX”为止。以此类推,将所有信号盒的所有接口连线都标注完毕。
注意:以上情况基本只适用于设备与端子排之间的连线。
2.3 特殊情况下的线号标注
2.3.1 设备之间直连的情况
有时候设备并没有连接到端子排上,而是直接连接到其它设备上。比较常见的如相机(或光源)的电源线直接连接到了开关电源或朝阳电源上。那么规定:在这种情况下,该连线要用被供电设备的字母代号的线号来标注,即用相机(或光源)的字母代号的线号来标注。
2.3.1设备与设备之间有空气开关及端子排隔离的情况

- 图4 -
如图4所示的例图,该例子中的接线状况,开关电源需要给光源供电,但中途却经过了空气开关和端子排的多层过渡。在这种情况下,因为空气开关与端子排本身均没有自己的设备字母代号,如图,从开关电源输出端开始直到图中最下层的空开及端子排为止,上层的全部连线均采用该开关电源的代号“P01XX”作为标注形式(最后两位数字改变,“P01”不变)。而最下层的空开、端子排到光源的连线,用光源本身的字母代号“L01XX”进行标注即可。
2.3.2 继电器和PLC的连线
继电器和PLC(如印钞厂多功能项目所用的一类PLC)本身也算一种设备类型,所以它可以有自身的字母代号。目前规定:只有端子排与继电器、端子排与PLC之间的连线要采用继电器、PLC本身的字母代号的线号来标注;除了端子排外,凡是其它设备与继电器、PLC之间的连线,均要采用其它设备的字母代号的线号来表示。
2.4 注意事项
弱电的标注必须依照2.1、2.2及2.3所规定的标准,不得擅自更改。凡是设备上有接线端的位置均要标注好线号,并要求同一根线上两端的标注的线号是一样的,便于后期维护时可以更快速的定位到该连线上。