回复:6RA80接通禁止

老兵veteran

版主

  • 帖子

    10161
  • 精华

    512
  • 被关注

    580

论坛等级:至圣

注册时间:2004-03-11

钻石 钻石 如何晋级?

发布于 2016-10-31 10:33:55

7楼

展开查看
以下是引用bergkamp在2016-10-27 21:07:42的发言 >3楼

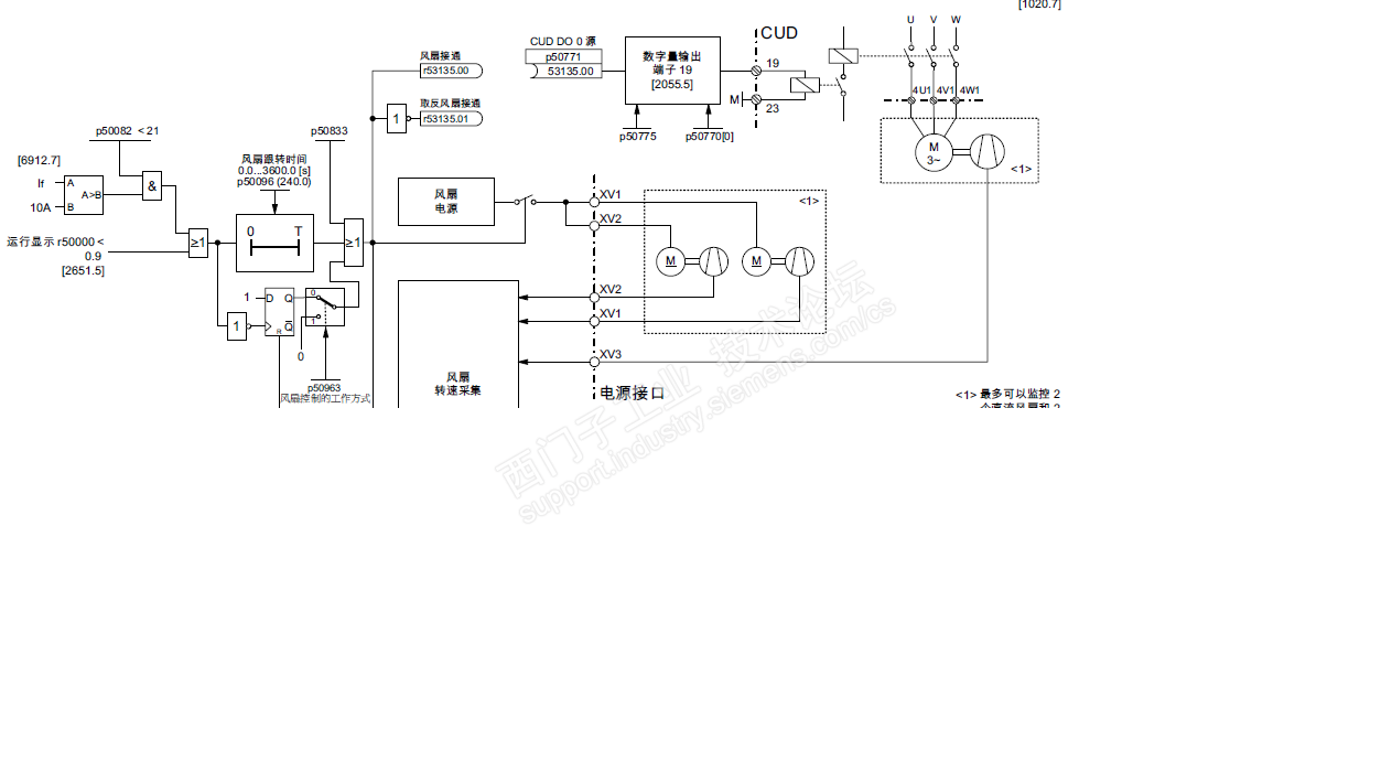
 今天做了试验,在接通ON/OFF1之前把调速器风机接通,就不会出现O8.0了。风扇是通过PLC输出控制的,之前都是和ON/OFF1同时接通的。后来看了功能图8047,风扇是不是可以通过数字量输出0(X177:19)控制,直接根据调速器的状态自动工作?

 

可以。                                      

天生不宜做胜利者,自来没有胜利的欲望,只是不甘失败,十分十分不甘心失败。木心
评论
编辑推荐: 关闭

请填写推广理由:

本版热门话题

直流调速器

共有3854条技术帖

相关推荐

热门标签

相关帖子推荐

guzhang

恭喜,你发布的帖子

评为精华帖!

快扫描右侧二维码晒一晒吧!

再发帖或跟帖交流2条,就能晋升VIP啦!开启更多专属权限!

  • 分享

  • 只看
    楼主

top
X 图片
您收到0封站内信:
×
×
信息提示
很抱歉!您所访问的页面不存在,或网址发生了变化,请稍后再试。