PLC柜内接线保护设计

已锁定

官四

  • 帖子

    2
  • 精华

    0
  • 被关注

    0

论坛等级:新手

注册时间:2016-11-02

普通 普通 如何晋级?

PLC柜内接线保护设计

1183

8

2016-11-03 09:27:45

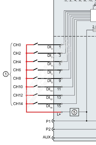
请教各位一个问题,西门子的PLC的DI模块在电源端加保险管是只需要在24V+端加 还是在24V+和24V-端都需要加呢?只加一端能否起到保护作用呢?谢谢啦!

PLC柜内接线保护设计 已锁定
编辑推荐: 关闭

请填写推广理由:

本版热门话题

SIMATIC S7-1500系列

共有10698条技术帖

相关推荐

热门标签

相关帖子推荐

guzhang

恭喜,你发布的帖子

评为精华帖!

快扫描右侧二维码晒一晒吧!

再发帖或跟帖交流2条,就能晋升VIP啦!开启更多专属权限!

  • 分享

  • 只看
    楼主

top
X 图片
您收到0封站内信:
×
×
信息提示
很抱歉!您所访问的页面不存在,或网址发生了变化,请稍后再试。