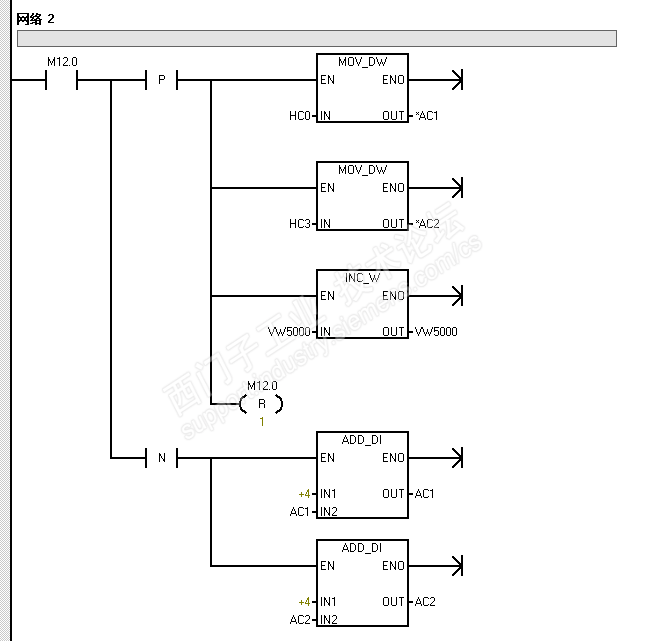
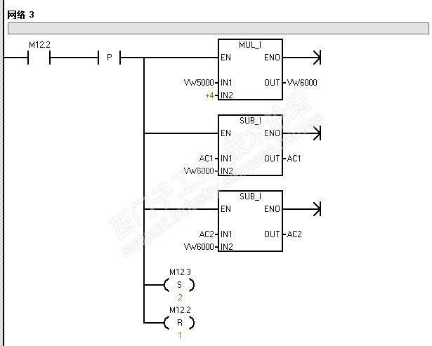
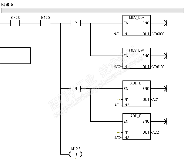
各位大侠帮我看下程序,硬是看不懂,郁闷啊!m12和m12.2的大概功能是什么?

已锁定

依然饭太稀

  • 帖子

    3
  • 精华

    0
  • 被关注

    0

论坛等级:游士

注册时间:2015-04-04

普通 普通 如何晋级?

各位大侠帮我看下程序,硬是看不懂,郁闷啊!m12和m12.2的大概功能是什么?

536

6

2016-11-05 22:54:12







谢谢各位大侠,看一个伺服程序,卡在这里了。

各位大侠帮我看下程序,硬是看不懂,郁闷啊!m12和m12.2的大概功能是什么? 已锁定
编辑推荐: 关闭

请填写推广理由:

本版热门话题

SIMATIC S7-200

共有33299条技术帖

相关推荐

热门标签

相关帖子推荐

guzhang

恭喜,你发布的帖子

评为精华帖!

快扫描右侧二维码晒一晒吧!

再发帖或跟帖交流2条,就能晋升VIP啦!开启更多专属权限!

  • 分享

  • 只看
    楼主

top
X 图片
您收到0封站内信:
×
×
信息提示
很抱歉!您所访问的页面不存在,或网址发生了变化,请稍后再试。