6ra70里的technology output 送去什么地方了

已锁定

向你们学习

西门子1847工业学习平台

  • 帖子

    90
  • 精华

    0
  • 被关注

    3

论坛等级:游侠

注册时间:2009-07-24

普通 普通 如何晋级?

6ra70里的technology output 送去什么地方了

411

4

2016-11-17 15:59:59

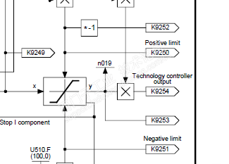
各位大师,小弟想在直流驱动器里做一个pid控制,现在想知道那个technology out 送到什么地方?怎么样实现和主给定叠加,来控制一个摆动轮在我想要的位置。谢谢。




6ra70里的technology output 送去什么地方了 已锁定
编辑推荐: 关闭

请填写推广理由:

本版热门话题

直流调速器

共有3837条技术帖

相关推荐

热门标签

相关帖子推荐

guzhang

恭喜,你发布的帖子

评为精华帖!

快扫描右侧二维码晒一晒吧!

再发帖或跟帖交流2条,就能晋升VIP啦!开启更多专属权限!

  • 分享

  • 只看
    楼主

top
X 图片
您收到0封站内信:
×
×
信息提示
很抱歉!您所访问的页面不存在,或网址发生了变化,请稍后再试。