回复:剩余电流保护器RCD的作用

HUANGZE75

  • 帖子

    12879
  • 精华

    122
  • 被关注

    440

论坛等级:至圣

注册时间:2006-08-24

钻石 钻石 如何晋级?

发布于 2016-11-22 09:04:08

10楼

展开查看
以下是引用老兵在2016-11-21 21:11:57的发言 >2楼

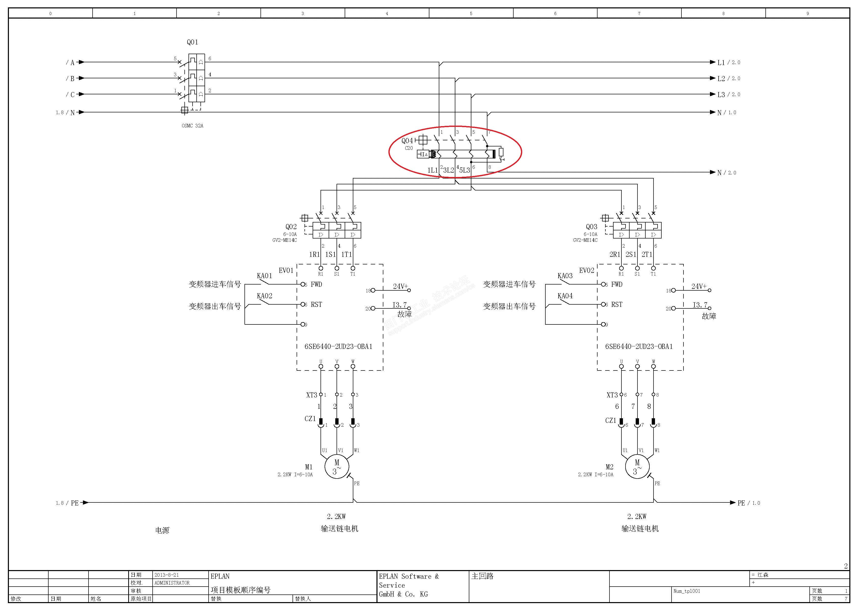
 提出这个问题是因为今天看一张第三方的图纸,发现对方的变频器前端加了这样一个东东,百思不得其解,后来去看MM4的手册,以发现了主帖中的那句话,更不明白了。

见下图中的Q04。看看还有哪位大神能给出意见。

 

看你的电路原理图就是一个四极漏电断路器,目前的有些漏电断路器的漏电脱扣电流是可调的,如可以从30-100MA调整,根据实际具体情况调整漏电电流。

评论
编辑推荐: 关闭

请填写推广理由:

本版热门话题

SINAMICS

共有8208条技术帖

相关推荐

热门标签

相关帖子推荐

guzhang

恭喜,你发布的帖子

评为精华帖!

快扫描右侧二维码晒一晒吧!

再发帖或跟帖交流2条,就能晋升VIP啦!开启更多专属权限!

  • 分享

  • 只看
    楼主

top
X 图片
您收到0封站内信:
×
×
信息提示
很抱歉!您所访问的页面不存在,或网址发生了变化,请稍后再试。