回复:模拟量输入模块数值慢慢变大

davelyu

  • 帖子

    156
  • 精华

    3
  • 被关注

    38

论坛等级:侠士

注册时间:2010-12-23

普通 普通 如何晋级?

发布于 2016-12-08 16:17:13

8楼

展开查看
以下是引用愿我能在2016-12-08 16:11:07的发言 >7楼

这种情况我好像以前也遇到过。估计和你接线还是有关系。如果还有模块,可以换个模块试试。

以下是引用plectrum在2016-12-08 16:06:53的发言 >5楼:测了,不会变大

引用5楼详细内容:

测了,不会变大

以下是引用愿我能在2016-12-08 15:42:03的发言 >3楼:使用万用表测量传感...

引用3楼详细内容:

使用万用表测量传感器输出电流,会不会变大。

以下是引用plectrum在2016-12-08 15:16:50的发言 >楼主:现场使用的一块4A...

引用楼主详细内容:

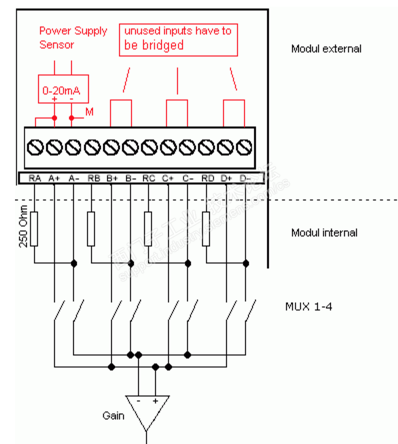
现场使用的一块4AI/1AQ的模拟量模块,目前出现的问题如下:

接入压力传感器(输出4-20mA)信号是12mA,但是在plc中监控这个值,开始时是正常的,但是随着时间推移,一般是1-2小时,这个数值就会慢慢变大,最终变成32000(6400-32000),造成输出结果错误。

之后,换了个新模块还是有这个问题,接入独立的电流源后(人为给12mA)还是有这个问题,将整个PLC断电后重新上电会恢复正常,但是过1-2小时又出现这个问题,M端和A-也已经短接,目前实在不知道是什么原因导致的这个问题,只能在这里求助高人了。

接线完全按照说明接的,不会有错,模块也已经换过了


个人微信公众号 "iLearning爱学习",头像就是公众号二维码
评论
编辑推荐: 关闭

请填写推广理由:

本版热门话题

SIMATIC S7-200

共有33300条技术帖

相关推荐

热门标签

相关帖子推荐

guzhang

恭喜,你发布的帖子

评为精华帖!

快扫描右侧二维码晒一晒吧!

再发帖或跟帖交流2条,就能晋升VIP啦!开启更多专属权限!

  • 分享

  • 只看
    楼主

top
X 图片
您收到0封站内信:
×
×
信息提示
很抱歉!您所访问的页面不存在,或网址发生了变化,请稍后再试。