回复:开关电源输出是否要接保险丝

20211111

  • 帖子

    1291
  • 精华

    1
  • 被关注

    54

论坛等级:奇侠

注册时间:2016-05-22

钻石 钻石 如何晋级?

发布于 2016-12-22 13:46:43

53楼

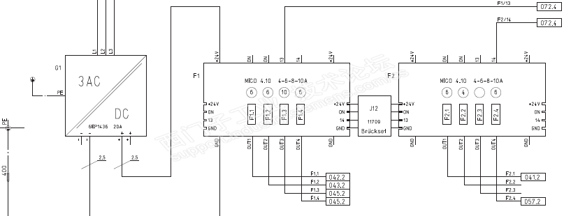
 德国穆尔(MURR),挺好用的,如果发生短路,过载,立刻切断电源,表面显示红灯,再想恢复,就按一下表面的显示灯就恢复正常了。

  

,,
评论
编辑推荐: 关闭

请填写推广理由:

本版热门话题

低压电气

共有4329条技术帖

相关推荐

热门标签

相关帖子推荐

guzhang

恭喜,你发布的帖子

评为精华帖!

快扫描右侧二维码晒一晒吧!

再发帖或跟帖交流2条,就能晋升VIP啦!开启更多专属权限!

  • 分享

  • 只看
    楼主

top
X 图片
您收到0封站内信:
×
×
信息提示
很抱歉!您所访问的页面不存在,或网址发生了变化,请稍后再试。