回复:S7梯形图编程

RENHQ

西门子1847工业学习平台

  • 帖子

    13875
  • 精华

    61
  • 被关注

    2191

论坛等级:至圣

注册时间:2008-12-28

钻石 钻石 如何晋级?

发布于 2016-12-22 15:35:30

3楼

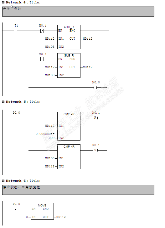
网络4就是产生三角波了

M0.1是判断三角波处于上升状态还是下降状态,M0.1=0为上升状态

T1每通一次,MD112就加或者减相应的增量,同时M0.0=1,在下个周期断开T1,防止下个周期MD112继续加

网络5就是判断三角波的方向了MD112小于0的时候,复位M0.1,是三角波MD112能够周期增加,大于幅值的时候,置位M0.1,使三角波MD112能够周期减小

网络6

复位三角波,当I0.0=0的时候,复位三角波的输出,就是置0

MD112就是三角波的输出

这样解释能明白么.....



Q群:https://jq.qq.com/?k=9BDuEgf6
评论
编辑推荐: 关闭

请填写推广理由:

本版热门话题

SIMATIC S7-300/400

共有54790条技术帖

相关推荐

热门标签

相关帖子推荐

guzhang

恭喜,你发布的帖子

评为精华帖!

快扫描右侧二维码晒一晒吧!

再发帖或跟帖交流2条,就能晋升VIP啦!开启更多专属权限!

  • 分享

  • 只看
    楼主

top
X 图片
您收到0封站内信:
×
×
信息提示
很抱歉!您所访问的页面不存在,或网址发生了变化,请稍后再试。