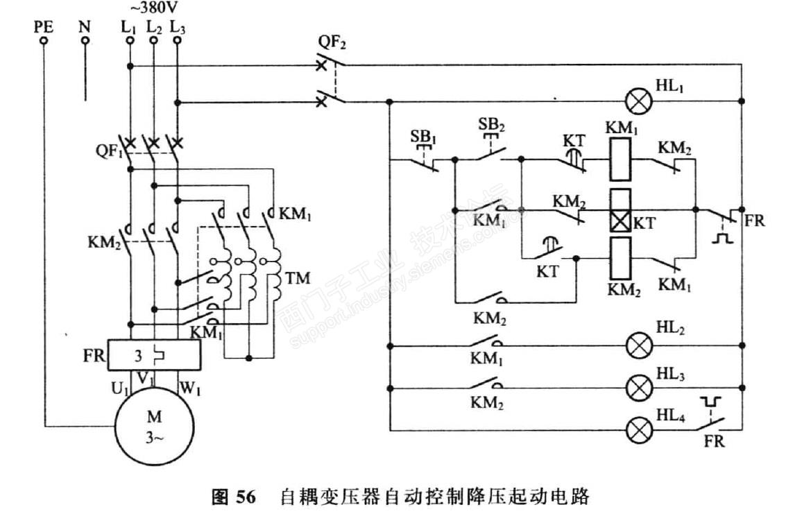
图中KT延时到KM2能吸合吗?

已锁定

huangjun1999

  • 帖子

    361
  • 精华

    1
  • 被关注

    28

论坛等级:奇侠

注册时间:2014-12-03

普通 普通 如何晋级?

图中KT延时到KM2能吸合吗?

892

17

2017-01-02 17:24:04



延时时间到时,KM1已断开,KM1自锁也解除了,怎么构成KM2接通回路?

其他论坛上有人回复说几个动作是同时完成的,是这样吗?

那不是在一瞬间KM1,KM2是同时接通了?这一瞬间互锁不起作用?

图中KT延时到KM2能吸合吗? 已锁定
编辑推荐: 关闭

请填写推广理由:

本版热门话题

电机

共有3160条技术帖

相关推荐

热门标签

相关帖子推荐

guzhang

恭喜,你发布的帖子

评为精华帖!

快扫描右侧二维码晒一晒吧!

再发帖或跟帖交流2条,就能晋升VIP啦!开启更多专属权限!

  • 分享

  • 只看
    楼主

top
X 图片
您收到0封站内信:
×
×
信息提示
很抱歉!您所访问的页面不存在,或网址发生了变化,请稍后再试。