回复:F015故障

老兵veteran

版主

  • 帖子

    9991
  • 精华

    505
  • 被关注

    573

论坛等级:至圣

注册时间:2004-03-11

钻石 钻石 如何晋级?

发布于 2017-04-13 20:23:06

13楼

展开查看
以下是引用感悟生活在2017-04-13 13:18:05的发言 >11楼

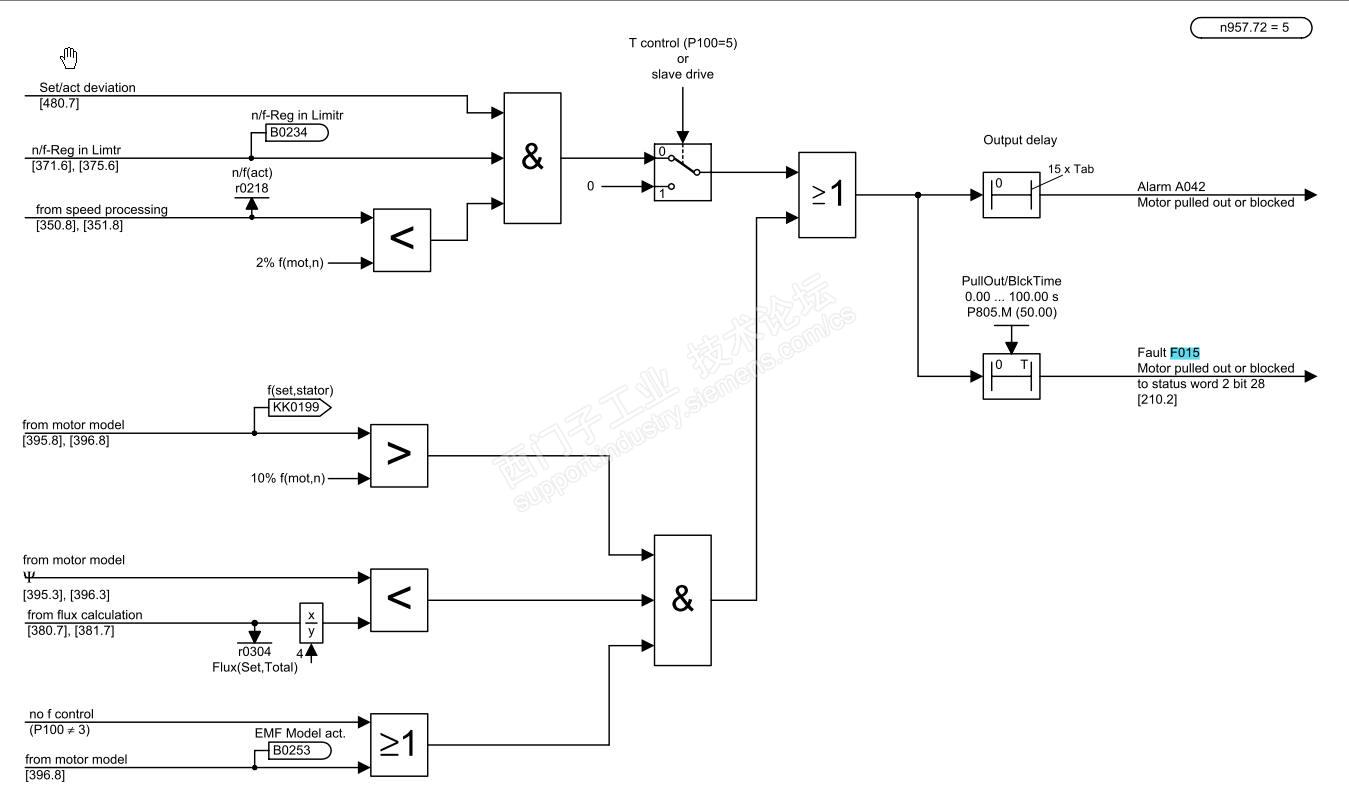
斜坡发生器的扫描周期比较长,所以不起作用了。从功能图485看,F015必须在P805设置的延时时间后生效报出,但P805设置的是2S,给定20MS的跳变也不至于报出故障呀,搞不明白

Snap1.jpg


以下是引用老兵在2017-04-12 21:04:13的发言 >10楼:那些所谓的资深工程...

引用10楼详细内容:

那些所谓的资深工程师这种说法很不负责。

另外,即便是有速度阶跃,也是系统允许的啊。

再说了,你不是有斜坡函数发生器么?那可是阶跃的克星啊

以下是引用感悟生活在2017-04-12 16:55:08的发言 >6楼:是PLC给传动速度...

引用6楼详细内容:

是PLC给传动速度,监控的是PLC的给定,单从程序来讲没有哪个位置可以给出这个值,但问过一些资深的工程师,讲是因为PLC扫描的问题,偶尔会出现这种情况

以下是引用kdrjl在2017-04-12 16:35:00的发言 >3楼:关键问题,那个20m...

引用3楼详细内容:

关键问题,那个20ms设定值是怎么产生的?不能回避此问题。

斜坡函数发生器的扫描周期,怎么会比较长呢?3.3ms

天生不宜做胜利者,自来没有胜利的欲望,只是不甘失败,十分十分不甘心失败。木心

精华帖版主置评:很关键的提示。对解决问题提出了明确的方案。kdrjl

评论
编辑推荐: 关闭

请填写推广理由:

本版热门话题

MasterDrives

共有5852条技术帖

相关推荐

热门标签

相关帖子推荐

guzhang

恭喜,你发布的帖子

评为精华帖!

快扫描右侧二维码晒一晒吧!

再发帖或跟帖交流2条,就能晋升VIP啦!开启更多专属权限!

  • 分享

  • 只看
    楼主

top
您收到0封站内信:
×
×
信息提示
很抱歉!您所访问的页面不存在,或网址发生了变化,请稍后再试。