Hi all,
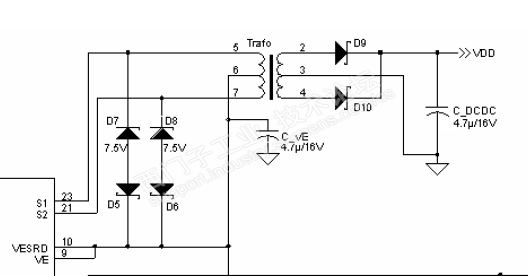
I am designing with a Profibus-PA project, a 12V power supply is needed in this project. So, I select SIM1-2 for PA interface, it can output this power from S1 and S1 with a transformers as pictrue below:

In datasheet, it says:
● Transformers with a leakage inductance up to 15 μH can be activated at S1
and S2 without any further protective circuit.
● Transformers with a leakage inductance up to 70 μH can only be activated at
S1 and S2 with additional protective circuits (see section 4.4, ?Circuit
Examples“).
● Transformers with a leakage inductance > 70 μH cannot be used.
Can anybody tell me special Models of this transformers?
This SIM1-2 chip is expensive, I don't want to burnout it one by one during hardware debug.
How about SMT Push-Pull Transformers "B82805A0943A250" as below?
