前段时间生产线停产几天维修,准备开机时发现一台辊模温机不能工作了,控制模温机的一台带DP接口的KS98控制器显示屏不亮了,断电来电几次后有时控制器屏幕亮可以正常工作十分钟左右,后看着控制屏幕亮度降低控制器就不工作了。

这种情况首先估计是仪表的电源板出现问题了,拆开仪表后发现电源板整流滤波电容处有漏液的迹象,且焊点有过热及腐蚀现象。

于是拿出来维修了这块电源板,更换了电容及电源输入滤波电器件后仪表显示正常了,可以通讯工作了。
安装上设备上开机,发现仪表控制的电机失控不会停机了。

再次拆开电路板检查输出继电器,发现控制K1继电器常开触点直通了,相对于短路了,所以就造成了控制水泵失控。

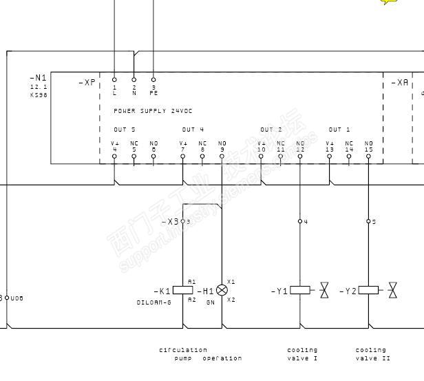
看图纸及接线刚好有一个继电器没有使用,因为没有这个仪表的组态软件及程序,只能使用最原始的办法了,硬件改接线了,就是并联一根继电器线圈线就可以了。

再次安装在设备上,设备正常工作了,水泵电机正常开停机了。