回复:这个模块(7KF02)接线图正确吗?

夜来香

  • 帖子

    1318
  • 精华

    2
  • 被关注

    313

论坛等级:奇侠

注册时间:2010-10-17

普通 普通 如何晋级?

发布于 2017-07-28 18:04:19

8楼

展开查看
以下是引用我爱吾家在2017-07-26 15:45:10的发言 >7楼

 

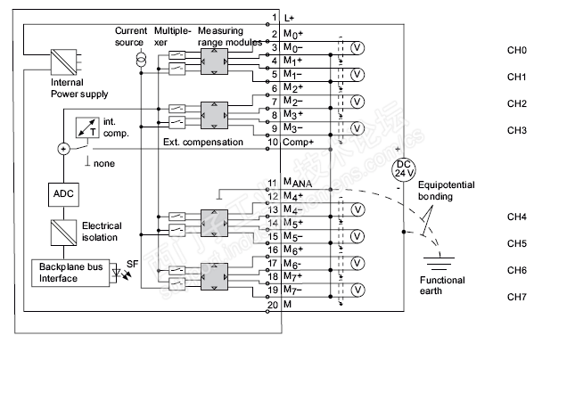
 核对你的接线和量程卡位置

谢谢,这个问题当时已经解决了,更换了模块,忘记重新下载硬件了。

我爱自动化
评论
编辑推荐: 关闭

请填写推广理由:

本版热门话题

SIMATIC S7-300/400

共有54790条技术帖

相关推荐

热门标签

相关帖子推荐

guzhang

恭喜,你发布的帖子

评为精华帖!

快扫描右侧二维码晒一晒吧!

再发帖或跟帖交流2条,就能晋升VIP啦!开启更多专属权限!

  • 分享

  • 只看
    楼主

top
X 图片
您收到0封站内信:
×
×
信息提示
很抱歉!您所访问的页面不存在,或网址发生了变化,请稍后再试。