回复:一个到指定日期机器锁定的程序

AADD

西门子1847工业学习平台

  • 帖子

    164
  • 精华

    0
  • 被关注

    0

论坛等级:游侠

注册时间:2010-07-05

普通 普通 如何晋级?

发布于 2017-08-16 07:57:01

8楼

展开查看
以下是引用唐诗宋瓷在2017-08-15 15:16:42的发言 >3楼




估计就是这样子的,没用过200 SMART,你有硬件的话,自己验证一下吧。

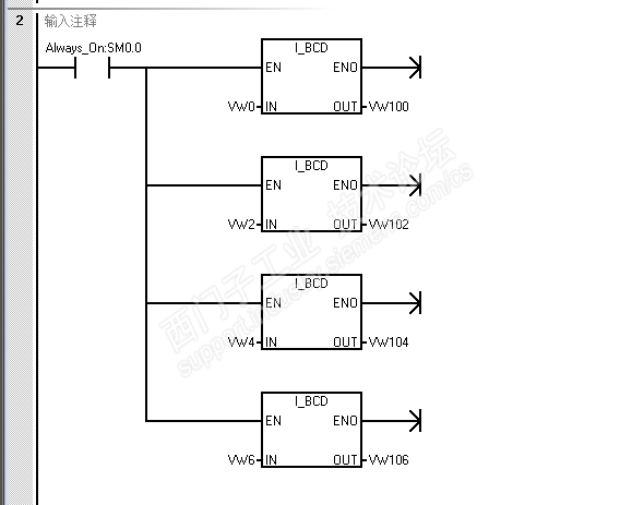
注意:数据 BCD

万分感谢,同时也感谢其他回复的朋友,今天就去用这个程序试试!

评论
编辑推荐: 关闭

请填写推广理由:

本版热门话题

SIMATIC S7-200 SMART

共有9144条技术帖

相关推荐

热门标签

相关帖子推荐

guzhang

恭喜,你发布的帖子

评为精华帖!

快扫描右侧二维码晒一晒吧!

再发帖或跟帖交流2条,就能晋升VIP啦!开启更多专属权限!

  • 分享

  • 只看
    楼主

top
X 图片
您收到0封站内信:
×
×
信息提示
很抱歉!您所访问的页面不存在,或网址发生了变化,请稍后再试。