SMART的运动指令 用于多个不连续运转的轴控制是否可行?

已锁定

逍遥剑客

  • 帖子

    59
  • 精华

    1
  • 被关注

    10

论坛等级:游侠

注册时间:2007-02-07

普通 普通 如何晋级?

SMART的运动指令 用于多个不连续运转的轴控制是否可行?

486

2

2017-08-24 19:22:52

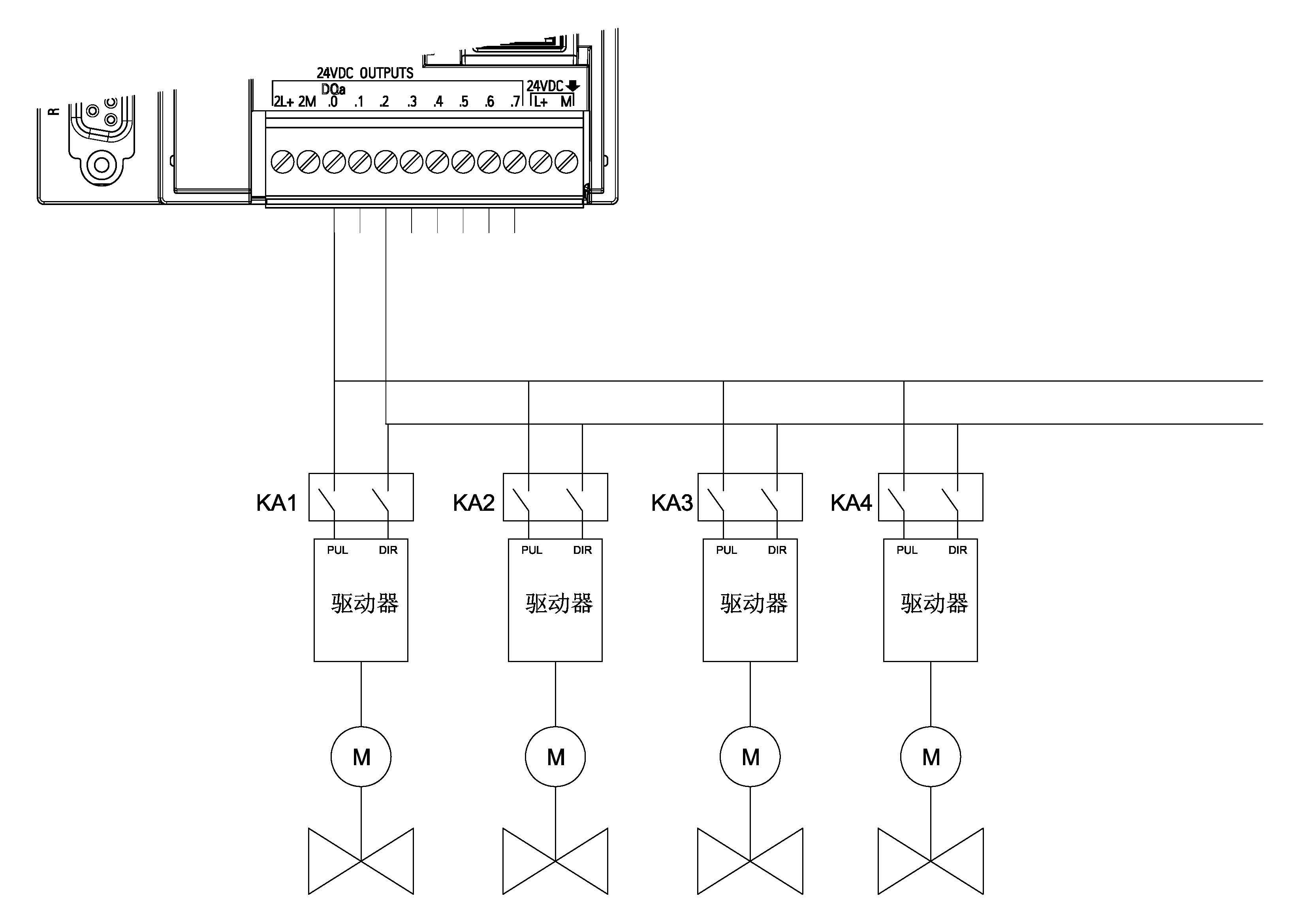
如题,我现在打算用4个步进电机来控制4个阀门的开启角度

每个电机轴上都只有一个用于回参考点的光电开关,每次断电后都用同一个RSEEK指令,分4次对每个轴进行回参考点操作,PLC运动向导里只启用了一个轴,输出只有脉冲和方向两个点(Q0.0和Q0.2),然后采用继电器切换的方式,把脉冲和方向信号,分时段切换给各个轴的驱动器,就类似MODBUS通信一样,轮流执行,在上一个轴控制动作完成后,就把下一个轴的实际位置用LDPOS加载进来

这样做可行吗,有没有什么难以解决的困难?




SMART的运动指令 用于多个不连续运转的轴控制是否可行? 已锁定
编辑推荐: 关闭

请填写推广理由:

本版热门话题

SIMATIC S7-200 SMART

共有9414条技术帖

相关推荐

热门标签

相关帖子推荐

guzhang

恭喜,你发布的帖子

评为精华帖!

快扫描右侧二维码晒一晒吧!

再发帖或跟帖交流2条,就能晋升VIP啦!开启更多专属权限!

  • 分享

  • 只看
    楼主

top
X 图片
您收到0封站内信:
×
×
信息提示
很抱歉!您所访问的页面不存在,或网址发生了变化,请稍后再试。