回复:我要个新鲜的值,谁给我个方法?

Zaxife

  • 帖子

    2450
  • 精华

    31
  • 被关注

    78

论坛等级:至圣

注册时间:2008-07-24

普通 普通 如何晋级?

发布于 2017-09-12 16:59:48

23楼

展开查看
以下是引用芳季在2017-09-12 14:03:30的发言 >

换硬件改线路的方法,应该不属于一个解决问题的方法。东西都没做出来就升级,我不如不干了。我现在虽然是在骑自行车,但是我也想找一条路更加近一点。如果你建议打个的,自行车都往车上放,就走,很快到。那已经不是我的生活了。

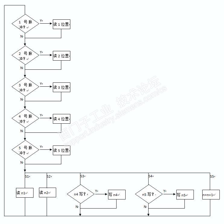
通讯我用到115200了,协议是modbus,除非自己编,否则也没有什么提升空间。信息量,最低限度是5个1和5个2无法放弃哪个信息不读。基于位置值控制的逻辑程序只能持续地读取轴位置。

那么剩下的好像就是Y版提到的问题了。这里还有空间,用软件模拟计算。然而,我就开了这个话题:

http://www.ad.siemens.com.cn/club/bbs/post.aspx?a_id=1422352&b_id=64&b_sid=0&r_id=1422588#tr_1422588

Y版,支持一下?

能想到的最快新鲜值的策略如下图了。不过你的程序可以用估值(模拟量滤波基本上都是估值)的话,那样通讯就不用这么折腾了,看来估值是更好的解决方案。



评论
编辑推荐: 关闭

请填写推广理由:

本版热门话题

SIMATIC S7-200 SMART

共有9426条技术帖

相关推荐

热门标签

相关帖子推荐

guzhang

恭喜,你发布的帖子

评为精华帖!

快扫描右侧二维码晒一晒吧!

再发帖或跟帖交流2条,就能晋升VIP啦!开启更多专属权限!

  • 分享

  • 只看
    楼主

top
X 图片
您收到0封站内信:
×
×
信息提示
很抱歉!您所访问的页面不存在,或网址发生了变化,请稍后再试。