回复:MM440如何实现端子命令延时启动?

kdrjl

版主 西门子1847工业学习平台

  • 帖子

    36785
  • 精华

    452
  • 被关注

    1459

论坛等级:至圣

注册时间:2003-06-06

钻石 钻石 如何晋级?

发布于 2017-09-14 16:13:16

4楼

展开查看
以下是引用Zaxife在2017-09-12 17:19:00的发言 >2楼

还不如加一个时间继电器省时省力。

折腾西门子的变频器参数,这是典型的吃饱了撑的,反正我是怕了。

用了不少的变频器,发现每次用西门子的变频器都是在花大量时间学而不是使用!

用其他的变频器都是跟ABB的思维差不多,直接用直接根据应用宏设完参数再根据要求修改就可以正常用了,但西门子的你想都别想能这么简单就用上了!西门子疯了。

这话怎么说呢?


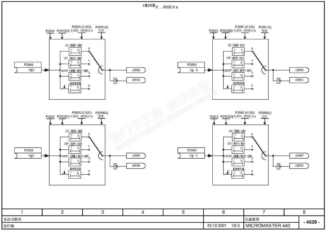
西门子的传动控制器,能解决楼主的问题,根本不用附加外部的硬件。只要激活了MM440内部的自由功能块,就易如反掌搞定其延时触发的需求了。


不会用,说自己不会,这不等于别人不会,也不等于不能!ABB,ABB的变频器,有这种自由功能块的功能吗?


西门子的变频器就是要解决哪些具有个性化需求的用户。它能提供许多特殊的功能和方法,满足客户的要求。宏能有个性化?



如上图示,把启动信号通过延时块再激活起动控制字就可以了。可以上升沿时,可以下降延时,可以脉冲延时。自己任意选择,然后,BiCo互联。

我是你的朋友
评论
编辑推荐: 关闭

请填写推广理由:

本版热门话题

MicroMaster

共有6823条技术帖

相关推荐

热门标签

相关帖子推荐

guzhang

恭喜,你发布的帖子

评为精华帖!

快扫描右侧二维码晒一晒吧!

再发帖或跟帖交流2条,就能晋升VIP啦!开启更多专属权限!

  • 分享

  • 只看
    楼主

top
X 图片
您收到0封站内信:
×
×
信息提示
很抱歉!您所访问的页面不存在,或网址发生了变化,请稍后再试。