回复:请教一下lcl选型的问题

kdrjl

西门子1847工业学习平台

  • 帖子

    36784
  • 精华

    452
  • 被关注

    1458

论坛等级:至圣

注册时间:2003-06-06

钻石 钻石 如何晋级?

发布于 2017-09-24 17:18:34

7楼

展开查看
以下是引用苏花语在2017-09-24 16:30:01的发言 >5楼

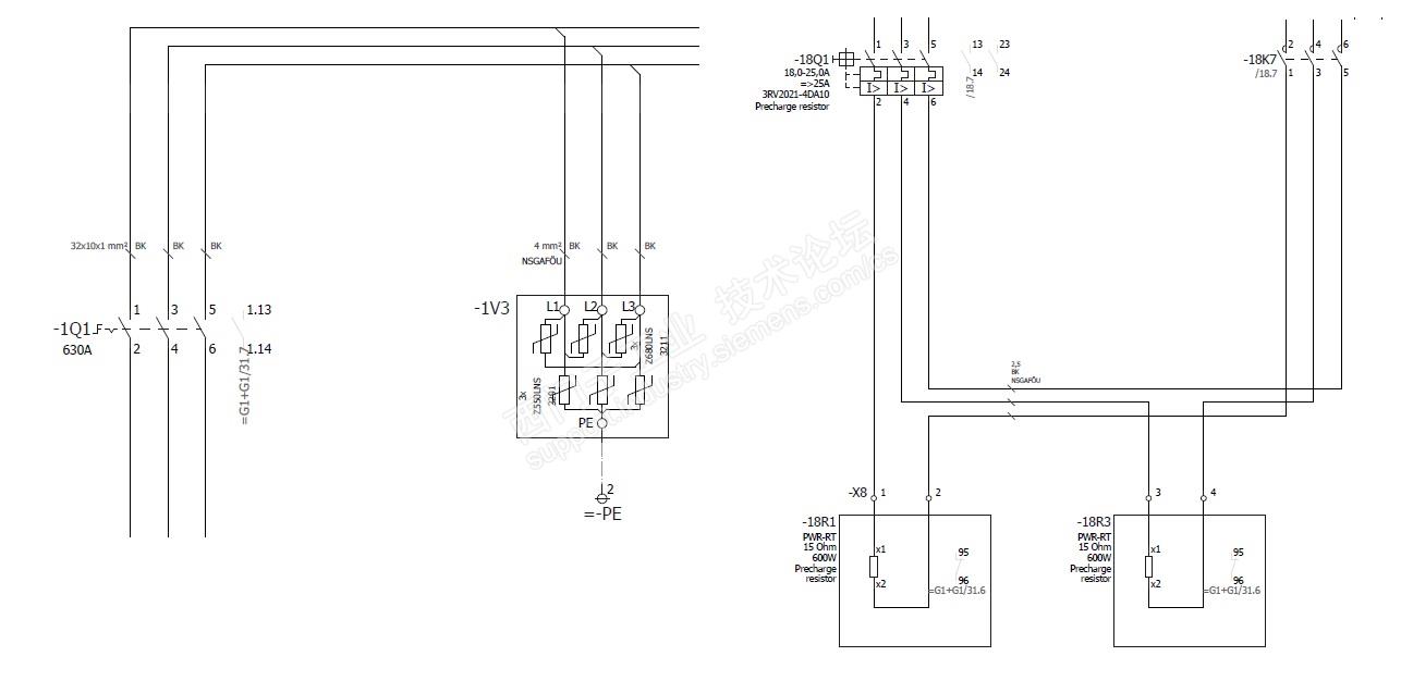
LCL就是ALM的AIM。变频器用来驱动负载电机向电网馈电,但是还没馈电的时候,整理单元就合不上闸。现在不得已买了一台柜机,但是柜机图纸也不太明白,一是总开关后面三相间角接了三个电阻,又星接了三个电阻,二是只有两相间有预充电电阻,请问这是为什么


3.jpg


以下是引用kdrjl在2017-09-23 15:24:25的发言 >3楼:哦,刚看明白,LC...

引用3楼详细内容:

哦,刚看明白,LCL是并网滤波器,光伏发电并网应用?


这个转换不在电网侧做行不行呢?比如说,电网连接的逆变器始终与电网同相位,然后直流侧做DC/DC变换,直流另外侧连接光伏发电设备。先把光伏发电的能量变成纯直流,再通过直流装置逆变馈送电网。这样还会并网失败吗?


LCL不知道与ALM的AIM是否是一回事。

不好意思,我也看不懂,不好妄加评论。既然是产品,看图是一回事,还要看手册嘛。按手册去做。


那个左手侧的图是压敏电阻,是防止雷击,闪电的高频高压侵袭保护装置,也叫dv/dt吸收装置。右边的预充电电阻不知干嘛,难道里面还有大容量电容器吗?不知道了。没有示图。不好说。


如果就是一个整流-回馈单元的话,LCL先不接,直接接那个施耐德的整回装置行不?能合闸吗?如果能,就是LCL与其不匹配的问题了。你空载上电整流回馈不会有问题吧?我们对西门子的SLM都是直接用的。没有AIM,买不起呀。几百千瓦的SLM用着也挺好的。很安全。


当然SLM是不可调节型电源,ALM是调节型电源。功率因数可任意调节+/-0.8。满足欧洲和国标的并网标准(谐波限制)。

我是你的朋友
评论
编辑推荐: 关闭

请填写推广理由:

本版热门话题

驱动技术综合产品

共有1978条技术帖

相关推荐

热门标签

相关帖子推荐

guzhang

恭喜,你发布的帖子

评为精华帖!

快扫描右侧二维码晒一晒吧!

再发帖或跟帖交流2条,就能晋升VIP啦!开启更多专属权限!

  • 分享

  • 只看
    楼主

top
X 图片
您收到0封站内信:
×
×
信息提示
很抱歉!您所访问的页面不存在,或网址发生了变化,请稍后再试。