回复:PID控制遇到问题,阀门开度和预期相反。

question

  • 帖子

    880
  • 精华

    6
  • 被关注

    109

论坛等级:奇侠

注册时间:2004-04-13

黄金 黄金 如何晋级?

发布于 2017-09-29 12:05:46

8楼

展开查看
以下是引用yming在2017-09-29 08:05:50的发言 >4楼

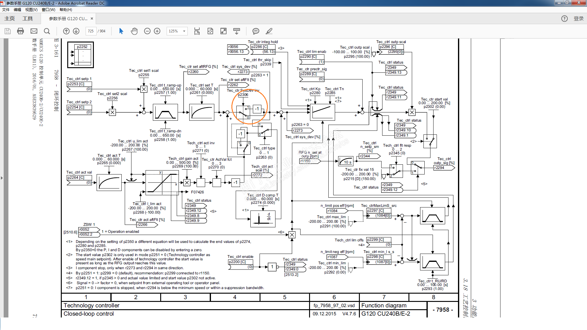
 你用的那个PID功能块不完整。

差值后面有个-1(反相)可选。

这是Sinamics G120系列内置自由功能块的简单闭环控制功能图。


 



很好的提示。

drongh
评论
编辑推荐: 关闭

请填写推广理由:

本版热门话题

SIMATIC S7-300/400

共有54790条技术帖

相关推荐

热门标签

相关帖子推荐

guzhang

恭喜,你发布的帖子

评为精华帖!

快扫描右侧二维码晒一晒吧!

再发帖或跟帖交流2条,就能晋升VIP啦!开启更多专属权限!

  • 分享

  • 只看
    楼主

top
X 图片
您收到0封站内信:
×
×
信息提示
很抱歉!您所访问的页面不存在,或网址发生了变化,请稍后再试。