施耐德的星三角控制图,为什么要用两个辅助触点

已锁定

Seventree

  • 帖子

    44
  • 精华

    0
  • 被关注

    22

论坛等级:游侠

注册时间:2014-08-01

普通 普通 如何晋级?

施耐德的星三角控制图,为什么要用两个辅助触点

2365

21

2017-11-23 14:34:33

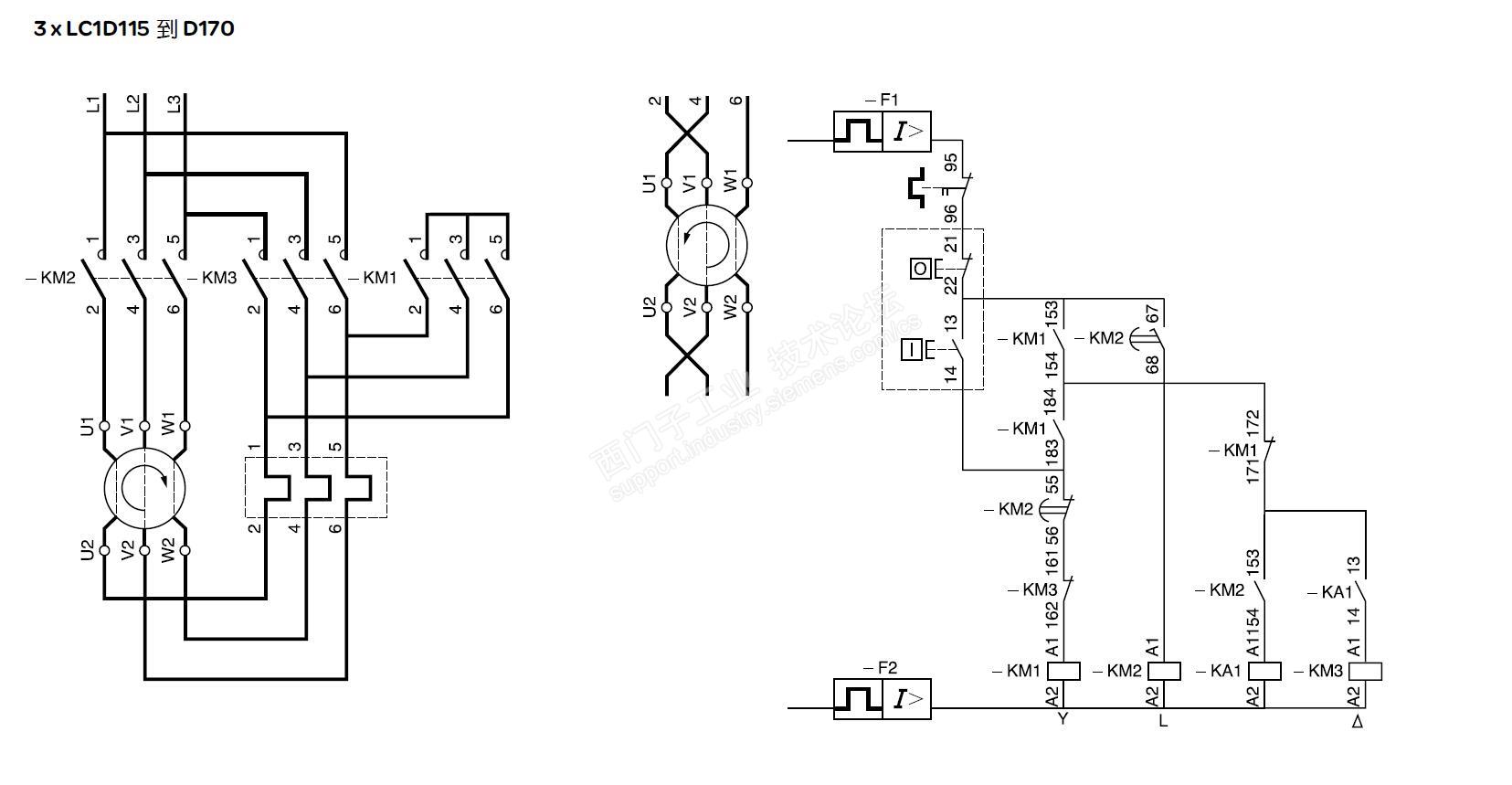
做的项目。星三角启动的,参考的施耐德的控制,为什么用了两个KM1的辅助触点。(183/184和154/153),没必要用两个,只保留(153/154)不就可以了。有知道为什么施耐德非要用两个的原因么?如图:



施耐德的星三角控制图,为什么要用两个辅助触点 已锁定
编辑推荐: 关闭

请填写推广理由:

本版热门话题

驱动技术综合产品

共有1971条技术帖

相关推荐

热门标签

相关帖子推荐

guzhang

恭喜,你发布的帖子

评为精华帖!

快扫描右侧二维码晒一晒吧!

再发帖或跟帖交流2条,就能晋升VIP啦!开启更多专属权限!

  • 分享

  • 只看
    楼主

top
X 图片
您收到0封站内信:
×
×
信息提示
很抱歉!您所访问的页面不存在,或网址发生了变化,请稍后再试。