回复:请教:怎么把一个字(VW0)根据变址传递到连续的字(VW200 VW201 VW202等)?

辣条儿

西门子1847工业学习平台

  • 帖子

    18
  • 精华

    0
  • 被关注

    7

论坛等级:游士

注册时间:2017-03-08

普通 普通 如何晋级?

发布于 2017-12-13 15:57:32

4楼

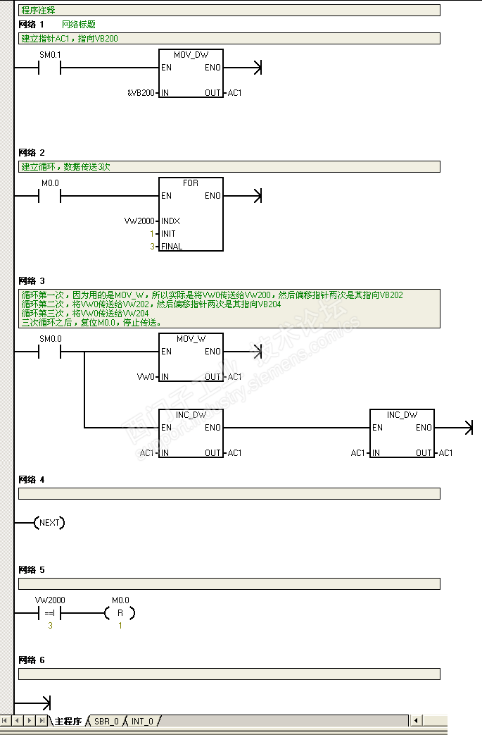
建议使用指针加FOR NEXT,参考以下程序



评论
编辑推荐: 关闭

请填写推广理由:

本版热门话题

SIMATIC S7-200

共有33266条技术帖

相关推荐

热门标签

相关帖子推荐

guzhang

恭喜,你发布的帖子

评为精华帖!

快扫描右侧二维码晒一晒吧!

再发帖或跟帖交流2条,就能晋升VIP啦!开启更多专属权限!

  • 分享

  • 只看
    楼主

top
X 图片
您收到0封站内信:
×
×
信息提示
很抱歉!您所访问的页面不存在,或网址发生了变化,请稍后再试。