回复:模拟量输入通道故障

'Razor

西门子1847工业学习平台

  • 帖子

    3562
  • 精华

    46
  • 被关注

    235

论坛等级:至圣

注册时间:2008-03-31

钻石 钻石 如何晋级?

发布于 2018-01-11 14:59:00

3楼

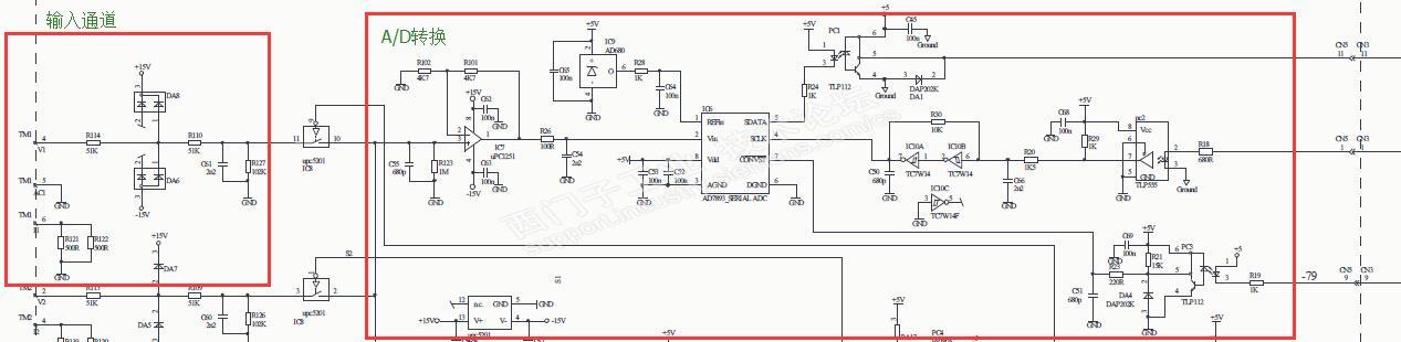
不像是A/D转换前的电路问题,如果原来备用通道也不能正常使用了,很有可能是信号处理的公用部分电路出问题了,如A/D转换芯片本身,或者A/D转换芯片与CPU芯片通讯的连接电路,不知道具体的使用环境是怎样的,但是7、8年的时间也算够长了,还是直接整体换模块看看吧。

图片为某品牌PLC的4通道AI模块部分原理图



少即是多
评论
编辑推荐: 关闭

请填写推广理由:

本版热门话题

SIMATIC S7-300/400

共有54778条技术帖

相关推荐

热门标签

相关帖子推荐

guzhang

恭喜,你发布的帖子

评为精华帖!

快扫描右侧二维码晒一晒吧!

再发帖或跟帖交流2条,就能晋升VIP啦!开启更多专属权限!

  • 分享

  • 只看
    楼主

top
X 图片
您收到0封站内信:
×
×
信息提示
很抱歉!您所访问的页面不存在,或网址发生了变化,请稍后再试。