回复:【万泉河】好的PLC程序和坏的PLC程序的比较标准

工控一良

西门子1847工业学习平台

  • 帖子

    40
  • 精华

    1
  • 被关注

    3

论坛等级:游侠

注册时间:2018-04-01

普通 普通 如何晋级?

发布于 2018-05-09 22:01:57

15楼


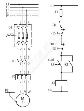
楼主可否发个号召试试如何编这个电机控制程序,怎么算好

评论
编辑推荐: 关闭

请填写推广理由:

本版热门话题

网友专栏

共有3418条技术帖

相关推荐

热门标签

相关帖子推荐

guzhang

恭喜,你发布的帖子

评为精华帖!

快扫描右侧二维码晒一晒吧!

再发帖或跟帖交流2条,就能晋升VIP啦!开启更多专属权限!

  • 分享

  • 只看
    楼主

top
X 图片
您收到0封站内信:
×
×
信息提示
很抱歉!您所访问的页面不存在,或网址发生了变化,请稍后再试。