ET200 的电机启动器怎么在PLC中控制

已锁定

lengxue

  • 帖子

    1354
  • 精华

    3
  • 被关注

    33

论坛等级:奇侠

注册时间:2012-02-02

普通 普通 如何晋级?

ET200 的电机启动器怎么在PLC中控制

460

2

2018-05-23 21:21:52

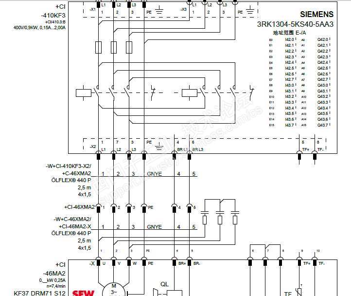
刚接触上ET200pro,在看图纸时,发现电机启动器上面还有一些输入输出点,这些点是起什么作用的,我从那能找到资料学习一下,由于还没有拿到PLC程序,请大家指点一下,谢谢了!



ET200 的电机启动器怎么在PLC中控制 已锁定
编辑推荐: 关闭

请填写推广理由:

本版热门话题

SIMATIC S7-300/400

共有54789条技术帖

相关推荐

热门标签

相关帖子推荐

guzhang

恭喜,你发布的帖子

评为精华帖!

快扫描右侧二维码晒一晒吧!

再发帖或跟帖交流2条,就能晋升VIP啦!开启更多专属权限!

  • 分享

  • 只看
    楼主

top
X 图片
您收到0封站内信:
×
×
信息提示
很抱歉!您所访问的页面不存在,或网址发生了变化,请稍后再试。