在电厂的燃气轮机的润滑过程中,需要用到大量的液压油,而液压油的油箱液位,需要特定的液位控制系统将液位控制在规定液位以下。一般情况下,很多设备制造厂家都用民用级的液位控制器来实现。应客户要求,我们设计了一款以LOGO!的控制器作为主要控制单元的控制系统,已经交付使用,感觉在合理的成本控制之内,整机的工业感有了一个不小的飞跃。这个帖旨在分享一台设备的设计流程。
该控制系统为单泵控制,而复杂一些的双泵控制的油位控制系统在之后的帖子中也会进行分享。
首先设计好电气原理图:

根据电气原理图出具材料表:

根据材料表及客户要求设计合适的柜体,以及初步确定主要器件的安装位置:

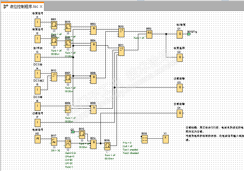
控制程序的编制:

LOGO!及触摸屏变量的对应:



设备的生产及加工:
根据图纸,安装相应的器件,根据产品规范接线安装。