回复:s120转矩限制功能如何激活,这个不是默认激活的吧

plc驱动器学习

  • 帖子

    38
  • 精华

    0
  • 被关注

    7

论坛等级:游士

注册时间:2018-03-16

普通 普通 如何晋级?

发布于 2018-06-21 15:26:59

12楼

展开查看
以下是引用kdrjl在2018-06-21 15:18:04的发言 >11楼


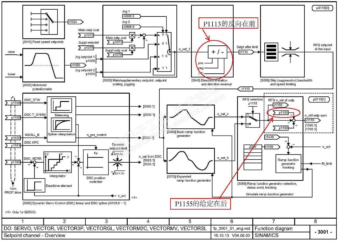
设定值如上图示,你为什么要把设定值隔过斜坡函数发生器呢?所以P1113就不起作用了。如果转速设定值从P1070给,那P1113就起作用了。


现在这样,只能通过把设定值的极性变号,实现转速的反向了。

以下是引用plc驱动器学习在2018-06-21 15:05:08的发言 >:还有看版主您以前在...

引用详细内容:

还有看版主您以前在其他帖子中说的p1113可以改变电机转动方向,我用的是p1155给s120的速度设定,可是它还是正转

再次谢谢您,我发现您找图非常厉害,我不知道看s120那个图,向您学习

评论
编辑推荐: 关闭

请填写推广理由:

本版热门话题

SINAMICS

共有8163条技术帖

相关推荐

热门标签

相关帖子推荐

guzhang

恭喜,你发布的帖子

评为精华帖!

快扫描右侧二维码晒一晒吧!

再发帖或跟帖交流2条,就能晋升VIP啦!开启更多专属权限!

  • 分享

  • 只看
    楼主

top
X 图片
您收到0封站内信:
×
×
信息提示
很抱歉!您所访问的页面不存在,或网址发生了变化,请稍后再试。