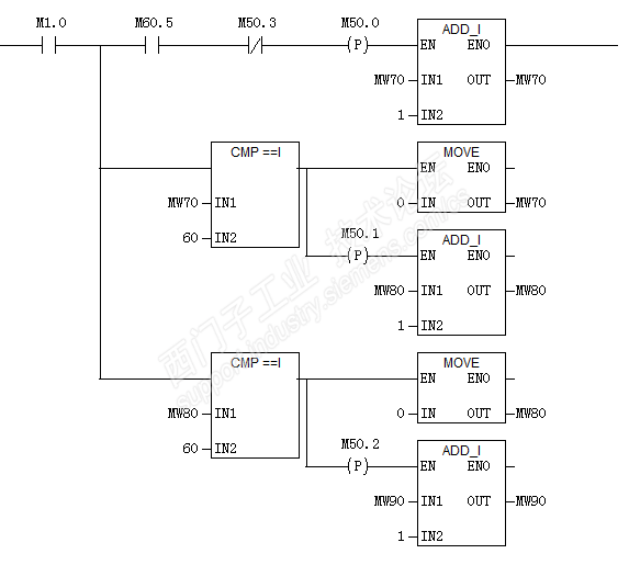
m60.5是1s周期脉冲,这段程序能在触摸屏上显示启动时间么?

已锁定

手机用户20180625547679

  • 帖子

    5
  • 精华

    0
  • 被关注

    0

论坛等级:新手

注册时间:2018-06-25

普通 普通 如何晋级?

m60.5是1s周期脉冲,这段程序能在触摸屏上显示启动时间么?

261

5

2018-06-25 16:22:08


大亨们 帮忙看一下

m60.5是1s周期脉冲,这段程序能在触摸屏上显示启动时间么? 已锁定
编辑推荐: 关闭

请填写推广理由:

本版热门话题

SIMATIC S7-300/400

共有54768条技术帖

相关推荐

热门标签

相关帖子推荐

guzhang

恭喜,你发布的帖子

评为精华帖!

快扫描右侧二维码晒一晒吧!

再发帖或跟帖交流2条,就能晋升VIP啦!开启更多专属权限!

  • 分享

  • 只看
    楼主

top
X 图片
您收到0封站内信:
×
×
信息提示
很抱歉!您所访问的页面不存在,或网址发生了变化,请稍后再试。