签到有奖
消息提醒
运维工程师专区
官方商城
点击复制链接
关注该帖后,有多人参加探讨会对您通知与提示!
帖子
精华
被关注
论坛等级:侠圣
注册时间:2013-03-08
普通 如何晋级?
发布于 2018-08-03 16:42:09
3楼
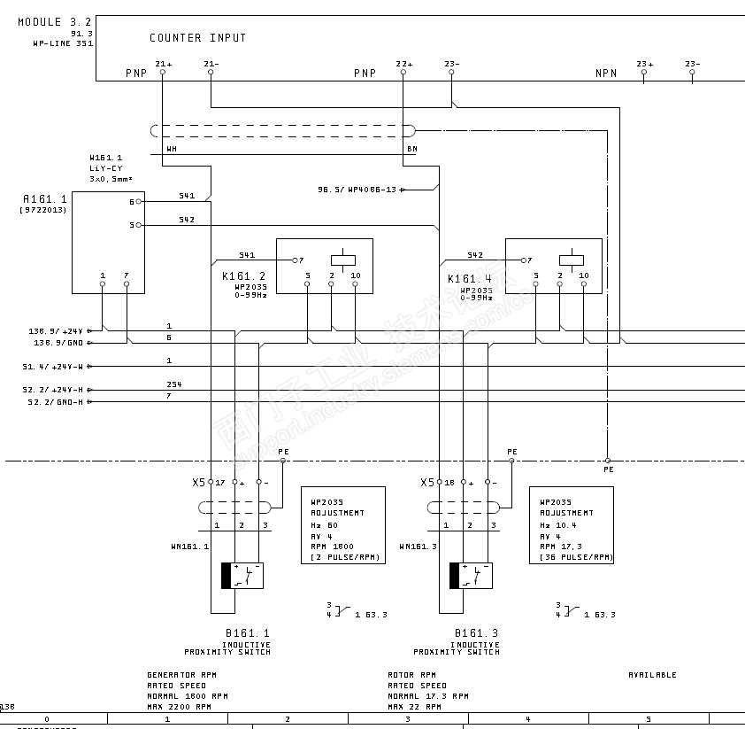
风力发电上超速开关串接到安全链里,也就是用安全继电器进行保护,进PLC仅仅是用于读取速度,频率。
请填写推广理由:
AI 小西智伴登场,7×24 小时权威支援,让技术支持告别等待!
助你技有所长,论有所获
首次发帖探讨工控技术话题 立获新人礼包,100中奖哦! (包含周边、书籍、兑奖西币)
共有15113条技术帖
恭喜,你发布的帖子
快扫描右侧二维码晒一晒吧!
再发帖或跟帖交流2条,就能晋升VIP啦!开启更多专属权限!
分享
只看 楼主
欢迎您访问支持中心!
丰富的视频,全方位的文档,大量的网友交流精华……
为了更好的完善这些内容,我们诚邀您在浏览结束后,花20秒左右的时间,完成一个用户在线调查!
感谢您的支持!