标准起重机brake monitor unit 制动器监控远程通信

已锁定

deuta

  • 帖子

    118
  • 精华

    0
  • 被关注

    9

论坛等级:侠客

注册时间:2010-06-11

黄金 黄金 如何晋级?

标准起重机brake monitor unit 制动器监控远程通信

659

1

2018-08-16 12:58:34

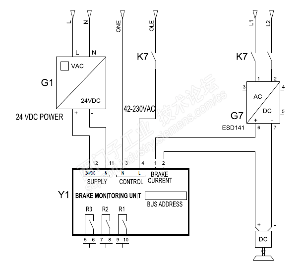
最近接了个项目,客户现场起升制动器刹车片隔三差五磨损,甚至导致溜钩,为解决此类故障查找原因,想了不少办法。现场使用工况频繁,载荷大,快慢速动作频繁。

系统配置:


起升制动器线圈

起升刹车片

接触器常开辅助触头

BMU 制动器监控装置含DC24V电源

MODEM  OR ROUTER

系统构图:


现场接线:

接线.PNG

软件设置:

数据监控结果:



标准起重机brake monitor unit 制动器监控远程通信 已锁定
编辑推荐: 关闭

请填写推广理由:

本版热门话题

谈天说地

共有13301条技术帖

相关推荐

热门标签

相关帖子推荐

guzhang

恭喜,你发布的帖子

评为精华帖!

快扫描右侧二维码晒一晒吧!

再发帖或跟帖交流2条,就能晋升VIP啦!开启更多专属权限!

  • 分享

  • 只看
    楼主

top
X 图片
您收到0封站内信:
×
×
信息提示
很抱歉!您所访问的页面不存在,或网址发生了变化,请稍后再试。