S7-300 graph 不动作

已锁定

yingmu1117

  • 帖子

    55
  • 精华

    0
  • 被关注

    4

论坛等级:游侠

注册时间:2007-06-30

普通 普通 如何晋级?

S7-300 graph 不动作

718

3

2018-08-27 14:13:04

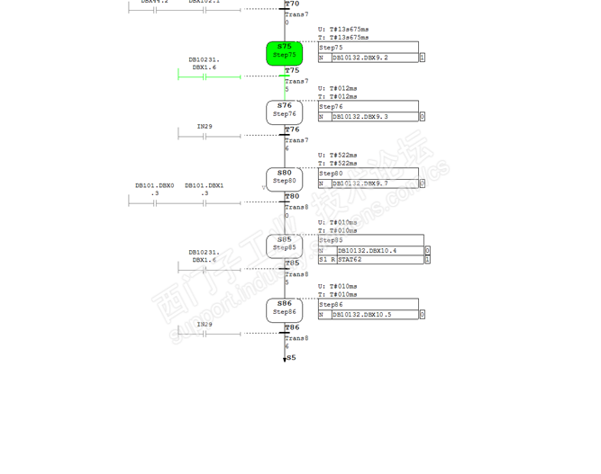
看着前边S75步的转换条件已经达到,但是为啥没有走到下一步。




S7-300 graph 不动作 已锁定
编辑推荐: 关闭

请填写推广理由:

本版热门话题

SIMATIC S7-300/400

共有54789条技术帖

相关推荐

热门标签

相关帖子推荐

guzhang

恭喜,你发布的帖子

评为精华帖!

快扫描右侧二维码晒一晒吧!

再发帖或跟帖交流2条,就能晋升VIP啦!开启更多专属权限!

  • 分享

  • 只看
    楼主

top
X 图片
您收到0封站内信:
×
×
信息提示
很抱歉!您所访问的页面不存在,或网址发生了变化,请稍后再试。