发热管加热电流突变增大电流去哪里了

已锁定

HUANGZE75

  • 帖子

    12879
  • 精华

    122
  • 被关注

    440

论坛等级:至圣

注册时间:2006-08-24

钻石 钻石 如何晋级?

发热管加热电流突变增大电流去哪里了

7861

26

2018-09-28 17:02:22

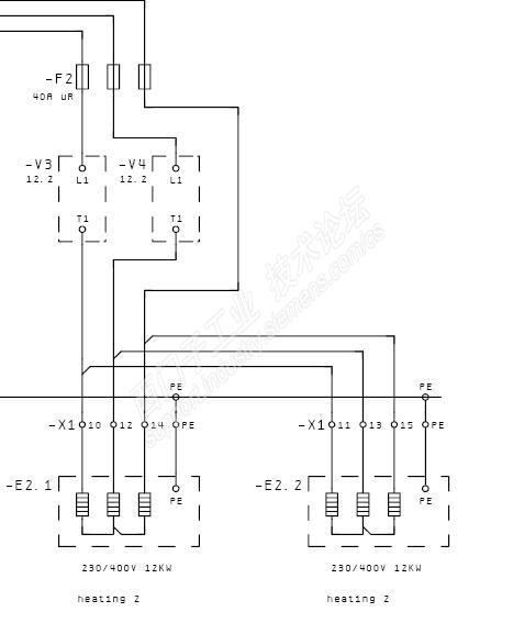
前段时间车间反映,模温机内加热管熔断器熔芯时常熔断,更换熔芯后又能工作一段时间。设备正常工作时,发热管长时间工作时间不长,只是在升温阶段使用的比较多,保温阶段使用的较少。


看原理图可知40A的熔芯作为2根三相星形接法的12KW的发热管的短路及过载保护,24KW的发热管电流I=24/1.732*0.38=34.64,配置40A的熔断器也是没问题的。

发热管工作加热时,实际测量电流达到了44A,这多出的差不多10A电流哪里去了。也就是因为这多出来的10A电流导致了熔断器熔芯的熔断故障。


发热管加热电流突变增大电流去哪里了 已锁定
编辑推荐: 关闭

请填写推广理由:

本版热门话题

低压电气

共有4352条技术帖

相关推荐

热门标签

相关帖子推荐

guzhang

恭喜,你发布的帖子

评为精华帖!

快扫描右侧二维码晒一晒吧!

再发帖或跟帖交流2条,就能晋升VIP啦!开启更多专属权限!

  • 分享

  • 只看
    楼主

top
X 图片
您收到0封站内信:
×
×
信息提示
很抱歉!您所访问的页面不存在,或网址发生了变化,请稍后再试。