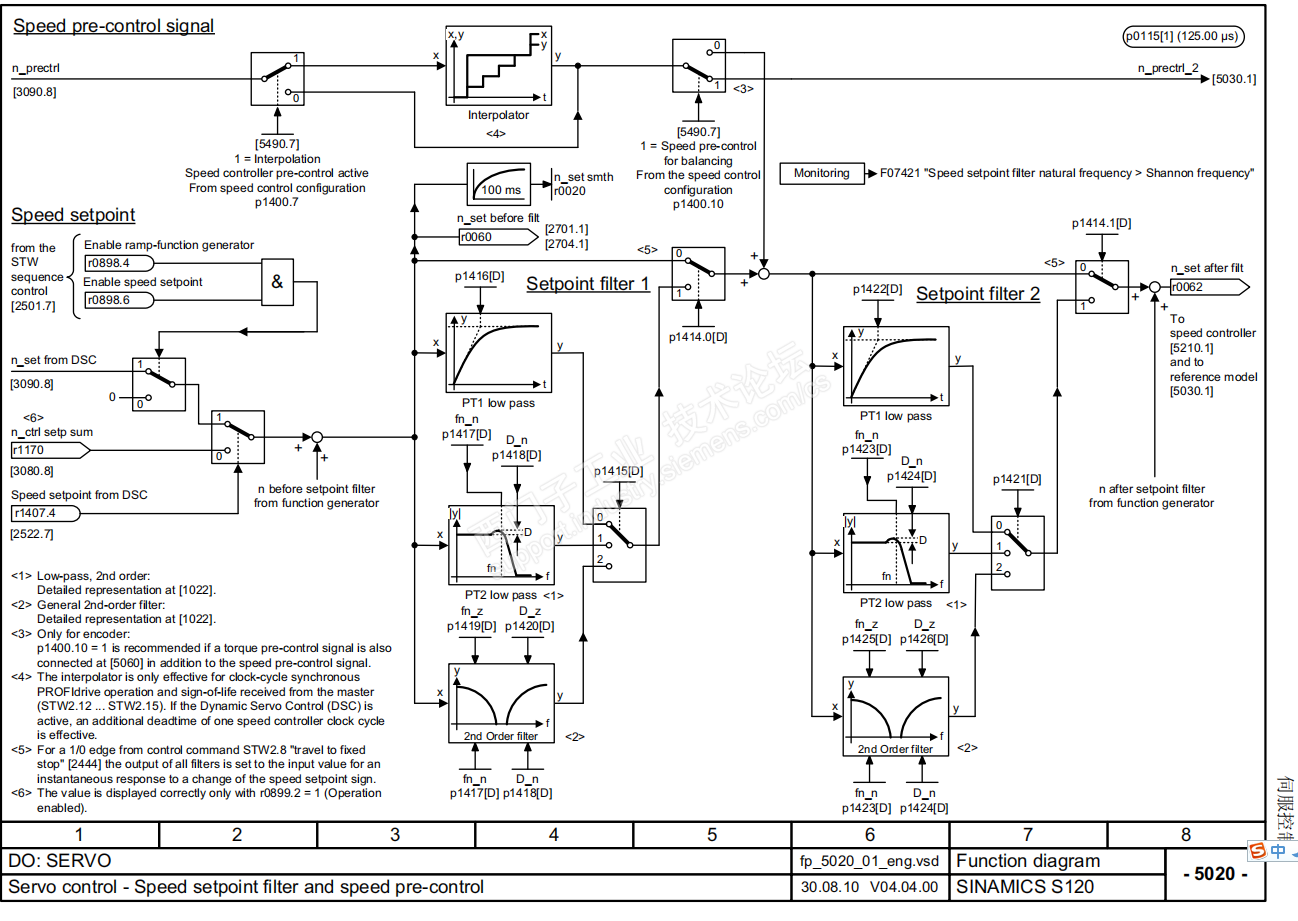
变频器功能图怎么看?,有技巧没?

已锁定

@小电工

  • 帖子

    421
  • 精华

    5
  • 被关注

    54

论坛等级:侠圣

注册时间:2014-12-31

普通 普通 如何晋级?

变频器功能图怎么看?,有技巧没?

6490

13

2018-10-15 22:42:37

   变频器功能图怎么看?,有技巧没?                           

微信图片_20181015224108.png



变频器功能图怎么看?,有技巧没? 已锁定
编辑推荐: 关闭

请填写推广理由:

本版热门话题

SINAMICS

共有8230条技术帖

相关推荐

热门标签

相关帖子推荐

guzhang

恭喜,你发布的帖子

评为精华帖!

快扫描右侧二维码晒一晒吧!

再发帖或跟帖交流2条,就能晋升VIP啦!开启更多专属权限!

  • 分享

  • 只看
    楼主

top
X 图片
您收到0封站内信:
×
×
信息提示
很抱歉!您所访问的页面不存在,或网址发生了变化,请稍后再试。