大师们帮我看一下这个程序起什么作用?我怎么觉得没啥用啊

已锁定

爱学习的我

  • 帖子

    42
  • 精华

    0
  • 被关注

    8

论坛等级:侠客

注册时间:2015-01-14

普通 普通 如何晋级?

大师们帮我看一下这个程序起什么作用?我怎么觉得没啥用啊

284

2

2018-12-07 08:24:58


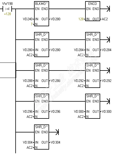
vw198是扫描次数,这段是模拟量采样程序的一部分,VD240采样累加vw198次的值的起始地址,到指定次数后清次零。我不理解的是他这个右移八位起什么作用,望各位赐教。

大师们帮我看一下这个程序起什么作用?我怎么觉得没啥用啊 已锁定
编辑推荐: 关闭

请填写推广理由:

本版热门话题

SIMATIC S7-200

共有33306条技术帖

相关推荐

热门标签

相关帖子推荐

guzhang

恭喜,你发布的帖子

评为精华帖!

快扫描右侧二维码晒一晒吧!

再发帖或跟帖交流2条,就能晋升VIP啦!开启更多专属权限!

  • 分享

  • 只看
    楼主

top
X 图片
您收到0封站内信:
×
×
信息提示
很抱歉!您所访问的页面不存在,或网址发生了变化,请稍后再试。