回复:Pilz安全继电器工作原理与程序交互点

lf184452

  • 帖子

    449
  • 精华

    6
  • 被关注

    17

论坛等级:侠圣

注册时间:2015-01-29

普通 普通 如何晋级?

发布于 2018-12-10 19:38:32

6楼

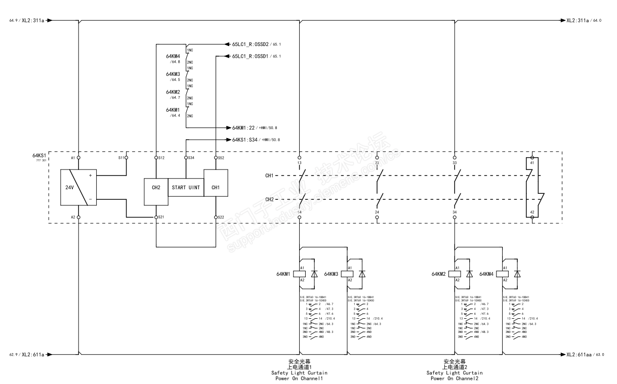
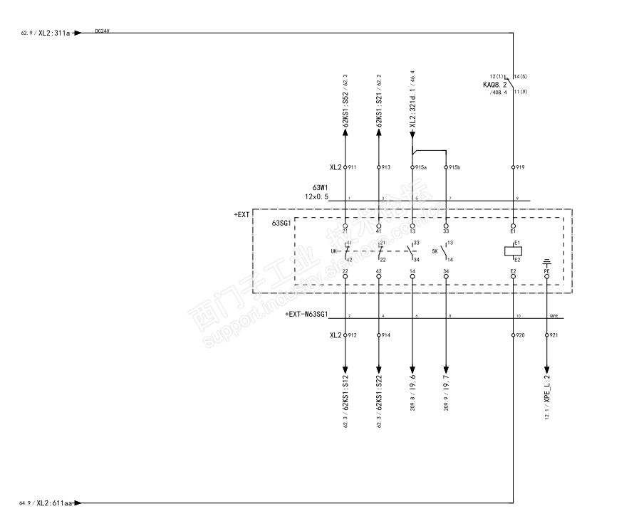
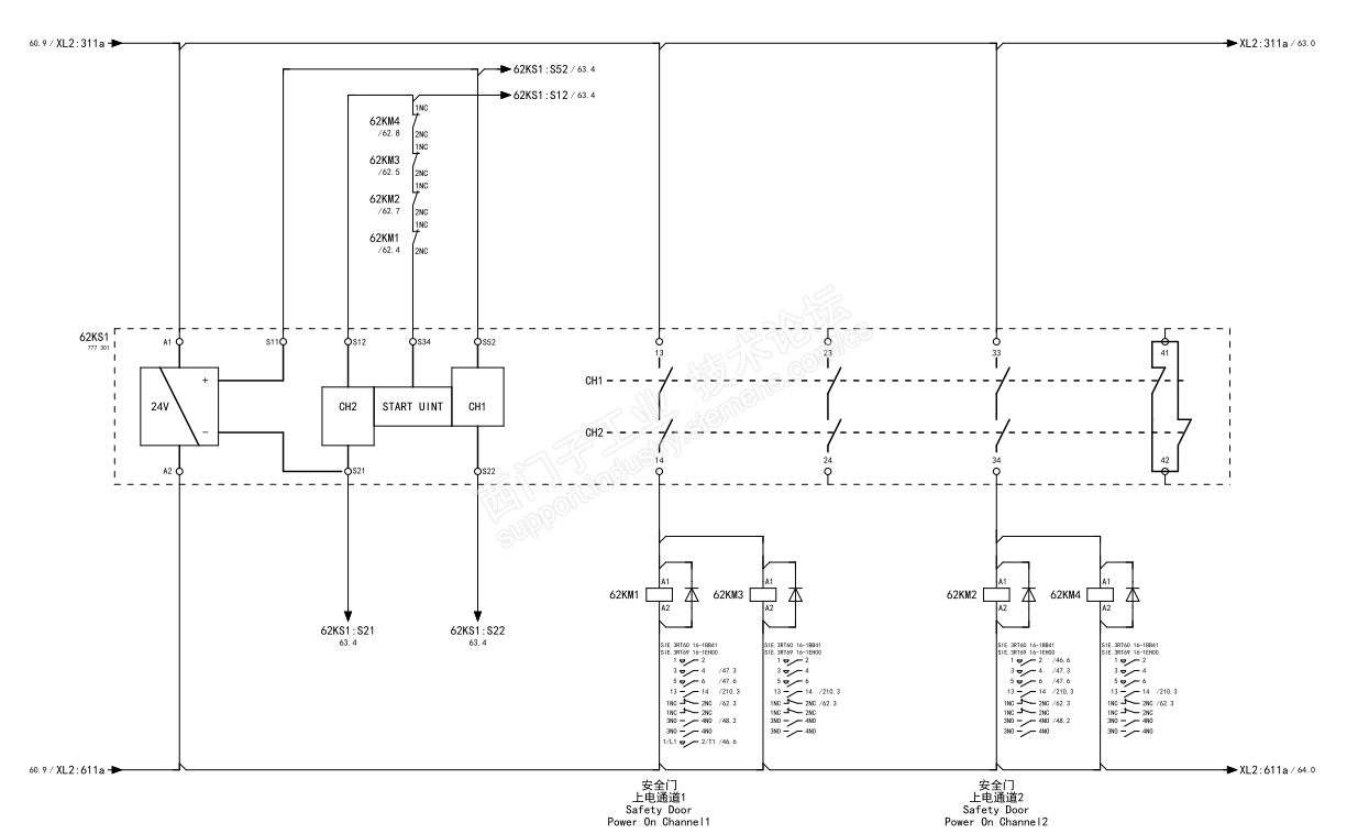
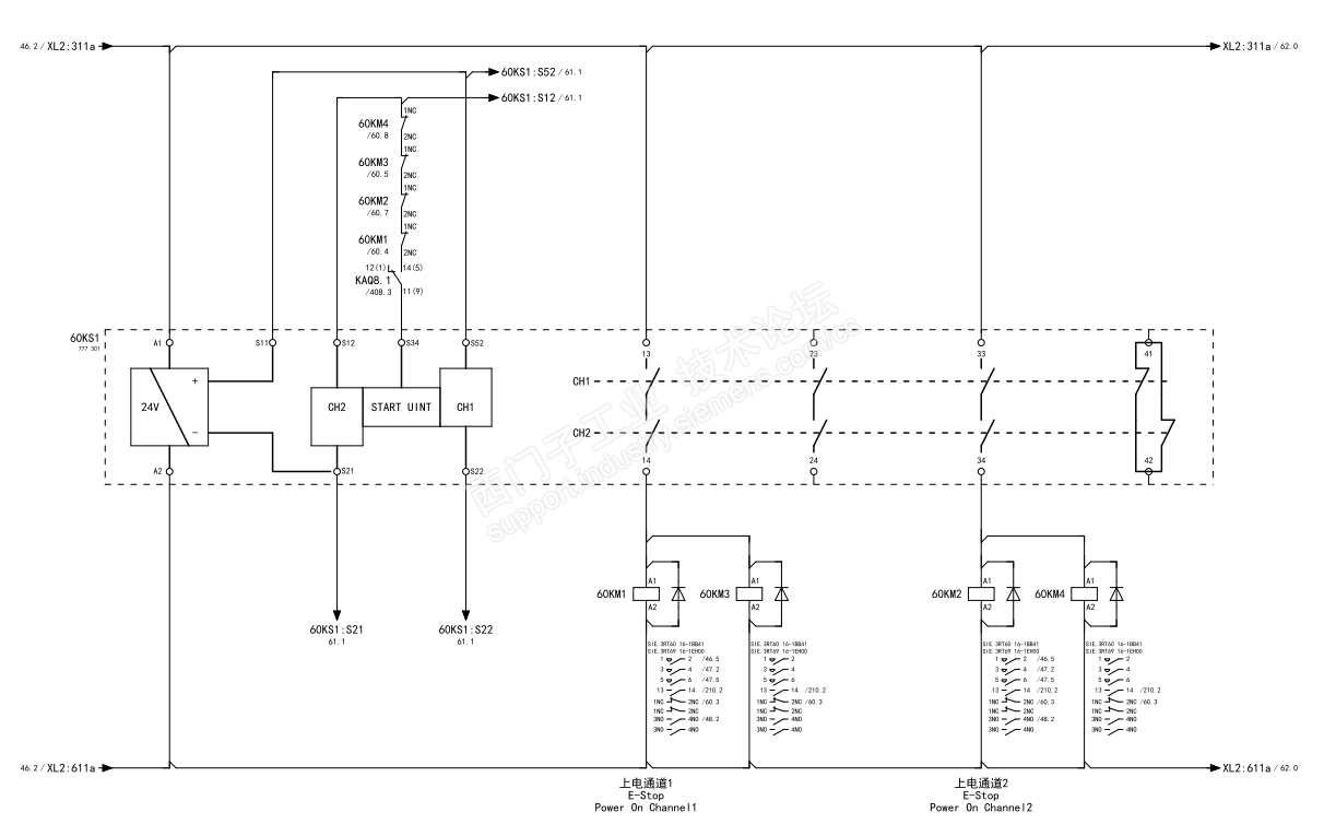
pliz最常用也是最简单的一款安全继电器,以下是在急停、安全门、光栅上的常规用法:







评论
编辑推荐: 关闭

请填写推广理由:

本版热门话题

SIMATIC S7-300/400

共有54615条技术帖

相关推荐

热门标签

相关帖子推荐

guzhang

恭喜,你发布的帖子

评为精华帖!

快扫描右侧二维码晒一晒吧!

再发帖或跟帖交流2条,就能晋升VIP啦!开启更多专属权限!

  • 分享

  • 只看
    楼主

top
您收到0封站内信:
×
×
信息提示
很抱歉!您所访问的页面不存在,或网址发生了变化,请稍后再试。