签到有奖
消息提醒
运维工程师专区
官方商城
点击复制链接
关注该帖后,有多人参加探讨会对您通知与提示!
帖子
精华
被关注
论坛等级:游士
注册时间:2016-02-28
普通 如何晋级?
1566
12
2018-12-11 21:06:54
我按照网上的一个例子
https://www.ad.siemens.com.cn/club/bbs/post.aspx?a_id=1325534&b_id=4&s_id=0&num=9#anch
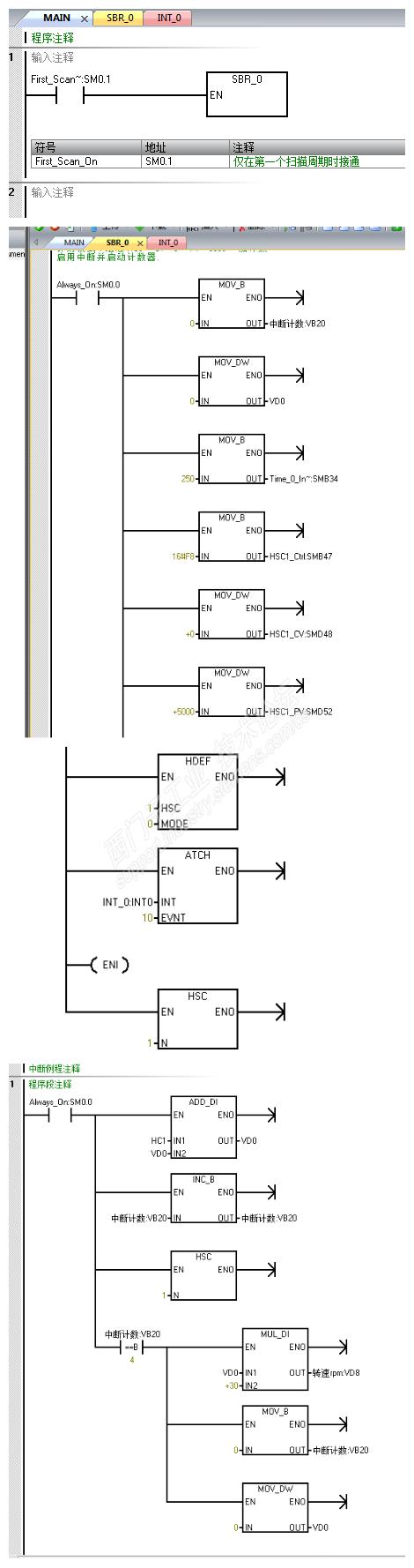
使用高速计数器测量电机转速(一周两个脉冲信号,中断250ms,一秒钟计算一次),遇到几个问题(程序如图)
1、数据波动比较大,而且是一个固定的差值上下跳动
2、显示转速高于电机的理论转速(100多转)
请问是什么原因呢?
(另外我参照的那个程序,中断累加了32次,说是根据齿条数来设定的(齿条数=12),但是没有看明白为什么是32)
剩余80%未阅读, 请登录阅读
请填写推广理由:
AI 小西智伴登场,7×24 小时权威支援,让技术支持告别等待!
助你技有所长,论有所获
首次发帖探讨工控技术话题 立获新人礼包,100中奖哦! (包含周边、书籍、兑奖西币)
共有33257条技术帖
恭喜,你发布的帖子
快扫描右侧二维码晒一晒吧!
再发帖或跟帖交流2条,就能晋升VIP啦!开启更多专属权限!
分享
只看 楼主
欢迎您访问支持中心!
丰富的视频,全方位的文档,大量的网友交流精华……
为了更好的完善这些内容,我们诚邀您在浏览结束后,花20秒左右的时间,完成一个用户在线调查!
感谢您的支持!