回复:力矩电机进线电功率及电流计算

HUANGZE75

  • 帖子

    12836
  • 精华

    122
  • 被关注

    438

论坛等级:至圣

注册时间:2006-08-24

钻石 钻石 如何晋级?

发布于 2018-12-17 16:07:54

17楼

展开查看
以下是引用kdrjl在2018-12-17 11:10:08的发言 >12楼

看这个原理,不就是串励调速电机嘛。类似手电钻。这应该是直流系列的电机吧?


其实,铭牌数据已经给你了电机功率。那就是:


P(kW) = n(rpm) * M(Nm) / 9550


电机转速:200 - 800 rpm


电机转矩:60 Nm


这样,取电机额定转速为800rpm,电机的功率在5kW左右。电流可以近似估算10A。


不过,如果是我,我会按堵转电流选择电缆,未尝不可,毕竟4方线和6方线成本没多少,电缆线截面给的裕量大,也无所谓。


另外,楼上的发言我同意,在我写回复时,这个帖子刚发出来,我刚刚看到。

以下是引用HUANGZE75在2018-12-17 08:49:25的发言 >9楼:力矩电机构造原理当...

引用9楼详细内容:

力矩电机构造原理

当负载增加时,电动机的转速能自动的随之降低,而输出力矩增加,保持与负载平衡。力矩电机的堵转转矩高,堵转电流小,能承受一定时间的堵转运行。由于转子电阻高,损耗大,所产生的热量也大,特别在低速运行和堵转时更为严重,因此,电机在后端盖上装有独立的轴流或离心式风机(输出力矩较小100机座号及以下除外),作强迫通风冷却,力矩电机配以可控硅控制装置,可进行调压调速,调速范围可达1:4,转速变化率≤10%。本系列电机的特性使其适用于卷绕,开卷、堵转和调速等场合及其他用途,被广泛应用于纺织、电线电缆、金属加工、造纸、橡胶、塑料以及印刷机械等工业领域。

Y版说的对啊。必配强制风扇的。


以下是引用yming在2018-12-16 21:24:27的发言 >8楼:不是一码事儿哦。你...

引用8楼详细内容:

不是一码事儿哦。

你那个是永磁的转子(伺服电机的价格)。这个是国产的,高阻转子,不用风机吹着转子,就烧啦!可想而知能耗有多高?

以下是引用菲戈在2018-12-16 20:54:43的发言 >7楼:1FW6力矩电机属...

引用7楼详细内容:

1FW6力矩电机属于低端么,怎么在我们机床行业力矩电机属于高端的啊

以下是引用HUANGZE75在2018-12-15 14:26:45的发言 >2楼:@梦天空 你对力...

引用2楼详细内容:

@梦天空 你对力矩电机有所了解吗,毕竟这个东西只是在低端应用。



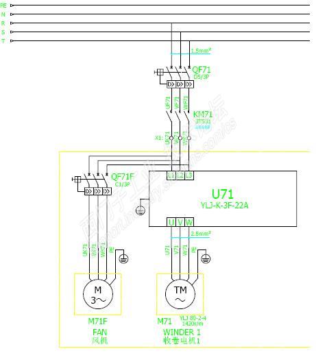
电气控制原理图


K版,这个力矩电机 不是直流的,是交流的样子象三相异步电机的。



评论
编辑推荐: 关闭

请填写推广理由:

本版热门话题

电机

共有3145条技术帖

相关推荐

热门标签

相关帖子推荐

guzhang

恭喜,你发布的帖子

评为精华帖!

快扫描右侧二维码晒一晒吧!

再发帖或跟帖交流2条,就能晋升VIP啦!开启更多专属权限!

  • 分享

  • 只看
    楼主

top
您收到0封站内信:
×
×
信息提示
很抱歉!您所访问的页面不存在,或网址发生了变化,请稍后再试。