modbus rtu 通信

已锁定

xudg-fr

  • 帖子

    3
  • 精华

    0
  • 被关注

    0

论坛等级:游民

注册时间:2018-08-22

普通 普通 如何晋级?

modbus rtu 通信

442

5

2018-12-17 16:23:43

1.PNG

2.PNG

3.PNG

4.PNG

5.PNG

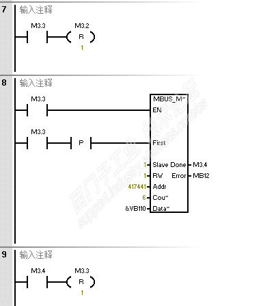
这个程序是我用例程下载实验过没问题后模仿的,感觉是一样的,但是不知哪里的问题,一监控就会报错误5未启用主站,一直停在这,没办法了,求大神解惑。
modbus rtu 通信 已锁定
编辑推荐: 关闭

请填写推广理由:

本版热门话题

SIMATIC S7-200 SMART

共有9417条技术帖

相关推荐

热门标签

相关帖子推荐

guzhang

恭喜,你发布的帖子

评为精华帖!

快扫描右侧二维码晒一晒吧!

再发帖或跟帖交流2条,就能晋升VIP啦!开启更多专属权限!

  • 分享

  • 只看
    楼主

top
X 图片
您收到0封站内信:
×
×
信息提示
很抱歉!您所访问的页面不存在,或网址发生了变化,请稍后再试。