回复:请教一下,使用的异步电动机发电状态时,它的发电功率如何查看?

放开那俩娃

  • 帖子

    12
  • 精华

    0
  • 被关注

    0

论坛等级:游士

注册时间:2015-03-05

普通 普通 如何晋级?

发布于 2018-12-21 11:51:21

2楼

展开查看
以下是引用kdrjl在2018-12-21 10:33:50的发言 >1楼

在回答问题之前,首先要批评楼主,不读书,不看报!做技术工作,要知道学习呀。


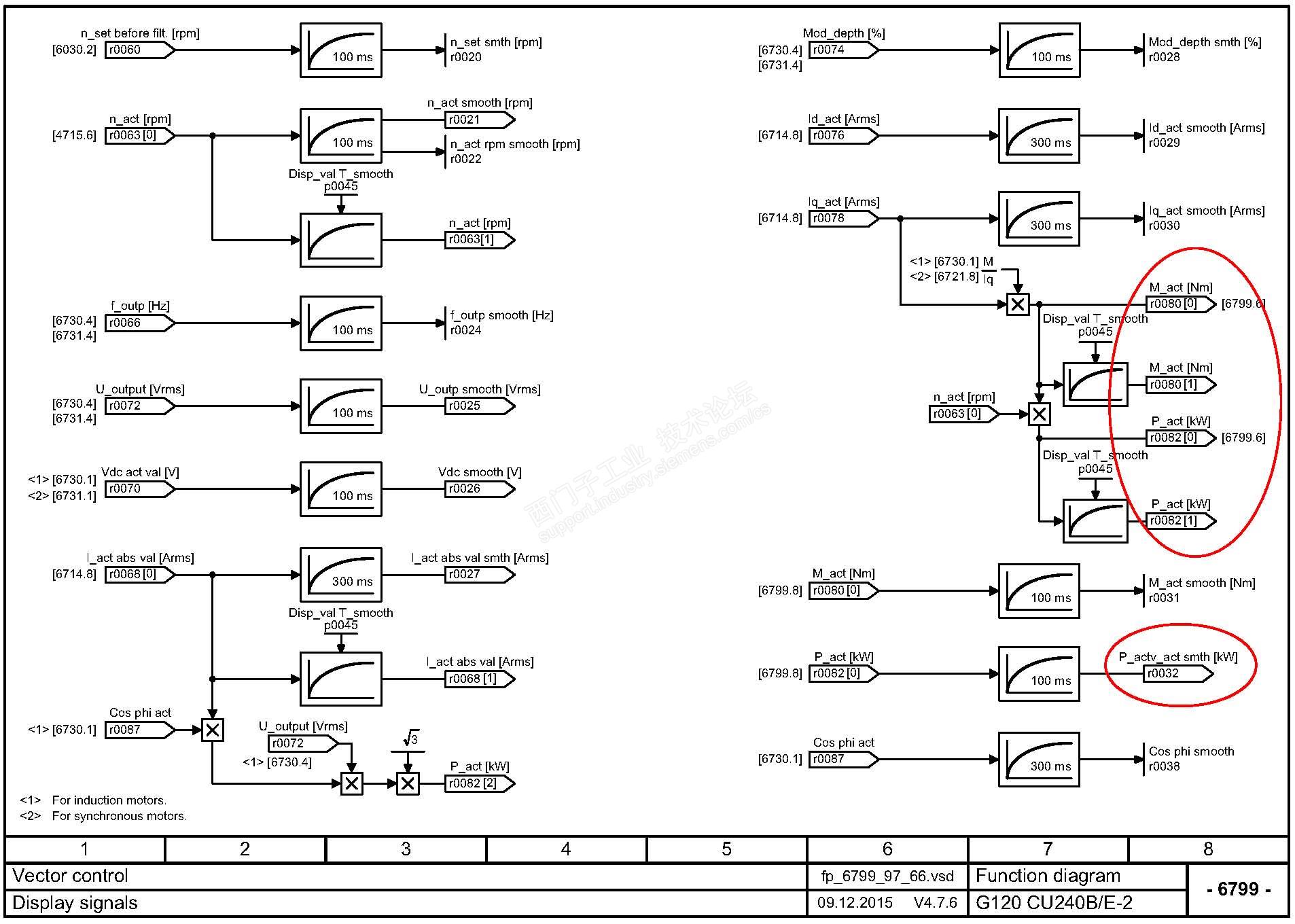
问题真的是太简单了。只要监控r32或者r82,就能知道电机在什么工作状态了。当r32或者r82为正值(大于0)时,电机工作在电动状态;反之当r32和r82为负值(小于0)时,电机工作在发电状态。


它们实时现实的数值,就是S120CU内部计算的电机功率。注意,这个功率值仅作为一个参考,它与电机实际输出功率的误差还是有的。


其实这也很符合电机拖动原理。当功率大于0时,电机轴输出功率(电动),当功率小于0时,电机轴吸收功率(发电)。


以G120为例,请看功能图:



谢谢您,

您批评的对,惭愧S120参数手册上面的功能图一直没有弄明白,也不知道怎么学习上手。

评论
编辑推荐: 关闭

请填写推广理由:

本版热门话题

SINAMICS

共有8093条技术帖

相关推荐

热门标签

相关帖子推荐

guzhang

恭喜,你发布的帖子

评为精华帖!

快扫描右侧二维码晒一晒吧!

再发帖或跟帖交流2条,就能晋升VIP啦!开启更多专属权限!

  • 分享

  • 只看
    楼主

top
您收到0封站内信:
×
×
信息提示
很抱歉!您所访问的页面不存在,或网址发生了变化,请稍后再试。