回复:探讨一下DC/DC和电池的配法

初七

  • 帖子

    5
  • 精华

    0
  • 被关注

    3

论坛等级:新手

注册时间:2017-03-04

普通 普通 如何晋级?

发布于 2018-12-22 19:47:51

9楼

展开查看
以下是引用kdrjl在2018-12-21 09:50:24的发言 >2楼

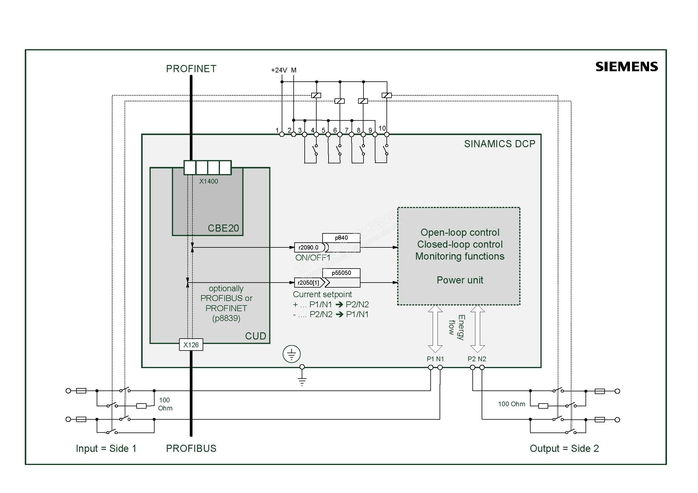
楼主说的是DCP。这个在中国市场已经推出了,不过,不知现在是否卖的火?这玩意我是很感兴趣,只不过一时半会儿找不到机会用。一旦有项目,我会首选这个DCP应用的。


DCP是双向的,这点毋庸置疑,它是可逆的变流装置。就像整流回馈单元那样,只不过,它的两侧都是直流罢了。


是的,是dcp

siemens的推荐是电池电压低一些,不知道为何。

评论
编辑推荐: 关闭

请填写推广理由:

本版热门话题

SINAMICS

共有8222条技术帖

相关推荐

热门标签

相关帖子推荐

guzhang

恭喜,你发布的帖子

评为精华帖!

快扫描右侧二维码晒一晒吧!

再发帖或跟帖交流2条,就能晋升VIP啦!开启更多专属权限!

  • 分享

  • 只看
    楼主

top
X 图片
您收到0封站内信:
×
×
信息提示
很抱歉!您所访问的页面不存在,或网址发生了变化,请稍后再试。