回复:V20变频器反馈运行状态的无源端子是哪个?

--意孤行

  • 帖子

    517
  • 精华

    7
  • 被关注

    48

论坛等级:奇侠

注册时间:2016-12-16

普通 普通 如何晋级?

发布于 2018-12-24 16:26:39

1楼

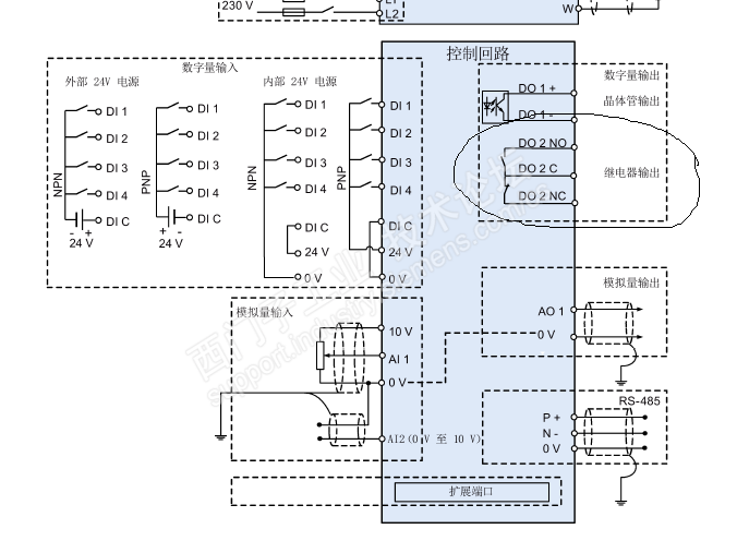
有一个继电器输出节点  DO2



认真做事,低调做人
评论
编辑推荐: 关闭

请填写推广理由:

本版热门话题

SINAMICS

共有8092条技术帖

相关推荐

热门标签

相关帖子推荐

guzhang

恭喜,你发布的帖子

评为精华帖!

快扫描右侧二维码晒一晒吧!

再发帖或跟帖交流2条,就能晋升VIP啦!开启更多专属权限!

  • 分享

  • 只看
    楼主

top
您收到0封站内信:
×
×
信息提示
很抱歉!您所访问的页面不存在,或网址发生了变化,请稍后再试。